Хлопчатобумажная одежда и современные теплоизоляционные материалы

Если вы пожелаете защитить от холода или сильного перегрева свой дом, автомобильный прицеп-дачу, отопительные трубы, какую-либо чувствительную аппаратуру или даже самого себя, то сделать это в наши дни совсем нетрудно. Торговые фирмы предложат вам богатый ассортимент теплоизоляционных материалов для самых различных целей: асбокартон и кизельгур, торфяные плиты и стекловойлок, минеральную вату, пробку и стекломаты, синтетические пенопласты и вермикулит, перлит и профилированный лист, двойные оконные рамы и стеганые поролоновые куртки. Выбор товаров исключительно широк, многообразие технических решений кажется безграничным. Однако при ближайшем рассмотрении выясняется, что по принципу действия различные изоляционные материалы походят друг на друга как две капли воды. В ключевой рубрике «Теплозащитные материалы» «Справочник инженера» дает четкое и краткое определение: «В основу действия всех технических изоляционных материалов положено свойство низкой теплопроводности газов, и в первую очередь воздуха. Мелкоячеистая структура самого материала призвана уменьшать конвективный и лучистый теплообмен. Различают изоляционные материалы пористые (пробка, кизельгур, пенопласты), волокнистые (минеральная вата, минеральная шерсть) и пленочные с воздушной прослойкой». Это определение действительно охватывает все теплоизоляционные материалы, но отнюдь не все теплозащитные, к числу которых принадлежат также средства, использующие принцип отражения, а не изоляции. Тот, кому хоть раз приходилось в разгар лета путешествовать по жарким странам в автомобиле, окрашенном в черный цвет, сразу поймет, о чем идет речь. Кузов такого автомобиля слабо отражает тепловое излучение не знающего пощады южного солнца. Внутри же автомобиля, окрашенного в белый цвет, температура в тех же условиях нередко оказывается на 10° ниже. Таким образом, полная палитра теплозащитных материалов выглядит следующим образом: пористые, волокнистые, пленочные с воздушной прослойкой и отражающие.

Я уже неоднократно упоминал о том, что при решении своих технических проблем растения обычно проигрывают все возможные варианты, доводя при этом каждый из них до полного совершенства. [27] Посмотрим же, как обстоит в царстве растений дело с теплозащитой.

Рассмотрим прежде всего пористые материалы. Пожалуй, единственный пример обращения человека к природным теплоизоляционным материалам растительного происхождения — это пробка. Не всегда пробковый слой у растений бывает ярко выражен. Наиболее мощный слой пробки образуется на стволах и старых ветвях пробкового дуба, в диком виде произрастающего в странах Средиземноморья. Именно из его коры делают самые обыкновенные бутылочные пробки. Вообще пробковый покров формируется на всех деревьях — березе, платане, бузине и т. д., однако здесь он во много раз тоньше, и поэтому его нецелесообразно использовать в промышленности. [28] Жизненно важный слой ствола дерева — камбий, лежащий между древесиной и корой, находится всего в нескольких сантиметрах, а у молодых растений даже в нескольких миллиметрах от поверхности ствола. Пробка коры надежно защищает нежные клетки камбиального слоя от механического повреждения, высыхания и резких температурных колебаний. Нередко мне приходилось видеть, как пробковый дуб более или менее благополучно переносил тяжелые последствия лесных пожаров. Даже высокая температура не могла окончательно убить в нем жизнь: уже на следующий год после перенесенного ожога дерево давало молодые побеги. Выручал толстый — с несколько сантиметров — слой пробки. Но термоизоляционным свойствам пробка не уступает минеральной вате и получившим столь широкое распространение стекломатам. Обожженный кизельгур, или инфузорная земля (диатомит), в том виде, в каком его используют строители, по эффективности теплоизоляции может сравниться с пробкой только в том случае, если защитный слоя из него будет в три раза толще.

Лишь у двух видов теплоизоляционных материалов коэффициент теплопроводности всего на 25% ниже, чем у пробки. Это — пепопласты, изготовляемые на основе синтетических смол, и слоистые пластики, в которых наполнителем является воздух. На фото 68 в сильно увеличенном виде показана структура жесткого пенопласта, разработанного на базе полистирола специально для целей теплоизоляции. На снимке хорошо различимы мелкие и мельчайшие ячейки, заполненные воздухом (зачернены). Размер самой крупной из них едва достигает одного миллиметра. Замкнутая структура и чрезвычайно тонкие стенки ячеек в комплексе существенно понижают теплопроводность материала.

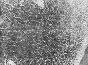
Короче говоря, пенопласты — идеальный теплоизоляционный материал, появившийся на свет лишь в нашем столетии и, следовательно, технологически еще очень юный. Природа же знакома с ними с древнейших времен. На фото 69 изображена структура природного пенопласта, основная функция которого состоит в том, чтобы предохранить плоды цитрусовых от заморозков или чрезмерного перегрева. Перед нами микрофотография губчатой ткани кожуры апельсина. Темные пятна на снимке — это не живые клетки растения, а межклеточные пустоты, заполненные воздухом. С полным правом о них можно сказать, что это также идеальный теплоизоляционный материал. Собственно губчатая ткань сильно растянута и имеет разрывы в очень тонких стенках клеток. Остается только удивляться исключительной похожести изображений на фото 68 и 69.

Фото 68. Микрофотография структуры технического теплоизоляционного материала (жесткий пенопласт на основе полистирола). На снимке хорошо различимы мелкие и мельчайшие ячейки (темные участки), заполненные воздухом, и их сверхтонкие с многочисленными разрывами стенки. Сочетание этих особенностей структуры и обусловливает низкую теплопроводность материала.

Фото 69. В принципе структура природного теплоизоляционного материала та же, что и изображенная на фото 68. На снимке губчатая ткань кожуры апельсина под большим увеличением. Ее функция — предохранять плод от перегрева и охлаждения.

Материалы, обладающие замкнутой, ячеистой структурой, не находят применения там, где наряду с теплозащитой должен осуществляться и газообмен. Примеры из техники — установка стенных панелей и перегородок в строительстве, а также пошив одежды. Это — основные сферы широкого применения волокнистых материалов: стекловолокна, минеральной ваты, асбоплит, текстильного волокна. У растений также имеется большой набор самых разнообразных приспособлений: от короткого, но чрезвычайно густого опушения желтоватых цветков эдельвейса до весьма длинного, 10 сантиметров и более, «волосяного» покрова высокогорных кактусов; от мягкой серебристой как бы меховой оболочки сережек вербы, появляющихся ранней весной, до густой поросли многочисленных тончайших побегов у подушечных растений. Как правило, все эти волоски, щетинки, войлокообразные покровы и т.п. имеют белый или серебристый цвет. Их отражательная способность создает дополнительную тепловую защиту.

И, наконец, в борьбе против тепла и холода известную роль в технике играют многослойные пленочные материалы и алюминиевая фольга. Аналогичная форма изоляции известна и в растительном мире. Многослойные чешуйчатые оболочки почек можно сравнить с многослойными полимерными материалами, а высохший и сморщившийся верхний слой кожистой оболочки растения, именуемого «живым камнем» (различные виды Conophytum), напоминает нам профилированную теплоизоляционную пленку (фото 70). Высокогорные растения защищают свои молодые побеги, укрывая их несколькими слоями отмерших листьев. Эту оболочку специалисты в шутку называют «соломенной туникой».

Фото 70. Поперечный разрез мясистых листьев южноафриканского растения, именуемого «живым камнем» (Conophytum sp.), позволяет видеть, как небольшое листовое образование неплотно окутано остатками старых листьев. Такой метод теплоизоляции специалисты называют «пленочным».

Более 800 000 книг и аудиокниг! 📚

Получи 2 месяца Литрес Подписки в подарок и наслаждайся неограниченным чтением

ПОЛУЧИТЬ ПОДАРОК