Беседа тринадцатая. На пути к искусственному мозгу
Что может быть для человека важнее его собственного мозга? Однако наши сведения о структуре и функциях мозга в настоящее время еще весьма неполны, зачастую основаны лишь на догадках. О нем мы знаем значительно меньше, чем о других органах. Давно ли, например, считалось непреложной истиной, что живые существа лишены "магнитного чувства"? Но вот проделали такой опыт. Человеку в состоянии гипноза внушили определенные зрительные образы: яркий солнечный день, тихое лесное озеро, цветы на лугу... И вдруг этот образ начал искажаться, как на экране испорченного телевизора, затягиваться туманной дымкой, разрушаться и исчезать. Что же произошло? А это к одному из центров больших полушарий, заведующему формированием зрительных образов, поднесли постоянный магнит, забаву школьника, и, как оказалось, магнитное поле непосредственно повлияло на процессы, происходящие в этом центре.
Приведем другой, не менее разительный факт, с которым не так давно столкнулись ученые. Оказывается, если воздействовать слабым электрическим током на так называемую интерпретационную, или толковательную, область, занимающую на поверхности больших полушарий головного мозга часть обеих височных долей, то в сознании человека пробуждаются, казалось бы, безвозвратно утраченные воспоминания. Оживают случайно слышанные, забытые мелодии, возникают давно угасшие мысли...
В каких глубинах подсознания хранились эти картины, представления и звуки давно минувших лет? Как научиться вызывать определенные воспоминания и рационально использовать таким образом необъятную кладовую человеческой памяти? Ответы на все эти вопросы пока еще не получены.
И все же, как ни далеки мы от полного познания сущности всех неимоверно сложных процессов, происходящих в нашем мозгу, нам удалось создать немало замечательных "мозгоподобных" машин, о которых лет двадцать тому назад — это можно смело сказать, не греша против истины, — не мечтал даже сам Норберт Винер, "отец кибернетики". Эти машины предсказывают погоду, в сотни тысяч раз быстрее человека производят сложные вычисления, отменно играют в шахматы, расшифровывают древние письмена, на расстояниях в сотни километров управляют технологическими процессами в цехах и на целых заводах, самостоятельно читают, переводят и записывают тексты, вычисляют траектории полетов космических кораблей и наиболее экономично планируют на десятилетия вперед производство целых отраслей промышленности, сберегая миллионы часов человеческого труда.
Однако, при всех своих "способностях", современные кибернетические машины во многом уступают возможностям человеческого мозга. Наш мозг, как известно, выполняет несоизмеримо более сложные задачи регулирования и управления, чем любая кибернетическая машина. Более того, он в совершенстве и с большой легкостью осуществляет ряд функций, которые пока не по силам электронным автоматам. В частности, мы имеем в виду решение широкого круга задач без предварительного программирования, распознавание образов и многое другое.
Глубокое изучение процессов мышления, исследования в области теории самоорганизующихся и обучающихся систем имеют для бионики первостепенное значение. Следует признать, что здесь получено еще очень мало результатов, которые можно было бы использовать для полноценного моделирования и воспроизведения высшей нервной деятельности человека. Пока мы можем только сказать, что определился большой круг проблем, от решения которых в принципе зависит реализация этого грандиознейшего и сложнейшего из человеческих замыслов.
В беседе "Зрячие машины" мы упомянули о том, что мозг обладает способностью сопоставлять, анализировать и обобщать получаемую им информацию. Существенно, что при этом он выделяет из нее и запоминает наиболее важное и после закрепления образовавшихся связей освобождает память для новых сообщений. Эту его особенность удалось промоделировать средствами современной электроники; однако, хотя ассоциативная память перцептронов оказалась достаточно эффективной, до сих пор неясно, верно ли она воспроизводит данную функцию мозга.
Человек всегда помнит больше, чем ему кажется. Однажды полученные впечатления могут уходить из центра внимания, но не изглаживаются из памяти окончательно. Так, например, французскому рисовальщику Гюставу Доре (автору широко известных иллюстраций в книгах "Гаргантюа и Пантагрюэль" Ф. Рабле, "Дон Кихот" М. Сервантеса и др.) издатель однажды поручил сделать рисунок с фотографии какого-то альпийского вида. Доре ушел, не захватив с собой фотографию. На следующий день он принес совершенно точную копию. Известно также, что самый удачный портрет президента Линкольна был написан провинциальным почитателем, видевшим его всего лишь один раз. По свидетельству современников, Юлий Цезарь и Александр Македонский знали в лицо и по имени своих солдат, а ведь их было очень много — 30 тысяч. Рассказывают, что Моцарт точно записал большую и сложную симфонию, услышанную только один раз. Композитор А. К. Глазунов легко восстановил утраченные партитуры больших музыкальных произведений. С. В. Рахманинову достаточно было один раз услышать фортепьянный концерт, чтобы точно воспроизвести его. А. Алехин помнил все сыгранные шахматные партии и, не глядя на доски, мог одновременно играть с 30 — 40 партнерами.
Установлено с абсолютной точностью, что мимо наших глаз и ушей ничто не проходит бесследно, только не все воспринимаемое мы успеваем осознать. Так, недавно в одном из английских кинотеатров по заказу нескольких торговых фирм был проделан такой опыт. В пленку с фильмом вмонтировали кадры, рекламирующие мороженое и прохладительные напитки. Вставки мелькали, задерживаясь в поле зрения лишь на 1/25 сек, — этого мало, чтобы сознание успело отметить их, но глаз не пропускал ничего. После просмотра фильма продажа мороженого и воды повысилась почти вдвое!
К счастью, мозг не захлестывается непрерывным потоком обрушивающихся на него различных сведений и сообщений. Способность забывать — вернее, прятать вглубь — такое же бесценное свойство мозга, как и способность запоминать. Но достаточно какой-нибудь встряски, и архивы памяти начинают вдруг раскручивать бесконечную ленту воспоминаний. Так, полагают, что за короткие мгновения перед мысленным взором утопающих с поразительной четкостью проносятся картины всей их предыдущей жизни. Еще один пример — молодая женщина переехала из Польши в Россию и вскоре забыла родной язык. Но в возрасте 70 лет она перенесла кровоизлияние в мозг и снова заговорила по-польски.
История сохранила для нас и такой столетней давности любопытный факт. Безграмотная женщина безвыездно прожила всю жизнь в маленьком немецком городке. Однажды она тяжело заболела и в бреду, на удивление всем, произносила длиннейшие монологи на нескольких непонятных для окружающих языках. Священник заподозрил ее в колдовстве, и неизвестно, чем бы это кончилось, если бы не вмешался врач, пригласивший к постели больной ученых. К великому своему удивлению, они узнали латинский, древнегреческий и древнееврейский языки. Оказывается, в десятилетнем возрасте больная была служанкой в доме пастора, коллекционировавшего древние священные книги, которые он часто читал вслух, прохаживаясь перед ее каморкой. Ее память бессознательно фиксировала услышанное и сохранила все это в тайниках мозга.
И еще один пример. В начале XIX века камердинер испанского посла в Париже, заболев горячкой, в бреду начал читать наизусть сложные политические трактаты, проявляя редкую осведомленность в вопросах дипломатии. Посол не верил своим ушам и намеревался сделать камердинера секретарем посольства, полагая, что он приобретет в его лице ценного сотрудника, своего рода живой справочник. Увы, по выздоровлении слуга снова превратился в усердного служащего, но недалекого человека. Он даже не подозревал, что память его хранит несметные сокровища знаний...
И еще один, последний пример. Вальтер Скотт работал над романом "Айвенго", находясь в болезненном состоянии. Впоследствии весь период работы над книгой выпал из его памяти, и, когда ему показали экземпляр только что отпечатанной книги, он не признал ее своей и сказал, что ничего о ней не знает и не помнит. Вот какие шутки иногда выкидывает человеческая память!
Что же такое память? Где она расположена, каков механизм ее работы? Есть ли вещество — носитель памяти? Что происходит у нас в мозгу, когда мы запоминаем, вспоминаем или забываем? Запоминает ли весь мозг или памятью ведают отдельные группы нервных клеток? Какой ключ заставляет кладовые нашей памяти то послушно распахиваться настежь, то приоткрывать лишь щелку? Выдающийся американский математик Джон фон Нейман сравнительно недавно сказал по этому поводу следующее: "О природе и местонахождении памяти мы знаем не больше, чем древние греки, считавшие местонахождением разума диафрагму".
Проблема изучения памяти, ее механизмов является сейчас одной из самых актуальных проблем в физиологии, кибернетике и бионике. Механизм памяти таит в себе своеобразное очарование, потому что он лежит в основе всех способностей человека к познанию и воображению. "Мне кажется, — писал Анатоль Франс, — что память — волшебная сила, что дар воскрешать прошедшее столь изумителен и драгоценен, как дар предвидеть будущее". В познании этой "волшебной силы" сегодня больше всего заинтересованы творцы электронных систем, мечтающие о создании искусственного мозга — машины фантастических возможностей.
В настоящее время существует множество различных определений памяти. Одно из них предложено Е. Н. Соколовым; оно не очень сложно и не очень запутано и гласит: "Система обладает памятью, если она содержит в себе некоторую информацию о сигнале после того, как сигнал перестал действовать". В 31-м томе 2-го издания БСЭ дается следующее определение: "Память — запечатлевание, сохранение и воспроизведение того, что ранее человек воспринимал, переживал, делал, думал". И наконец, в "Энциклопедическом словаре" написано: "Память — отражение прошлого опыта, заключающееся в запоминании, сохранении и последующем воспроизведении или узнавании того, что раньше воспринималось, переживалось или делалось".
Итак, одно из основных проявлений памяти — узнавание и воспроизведение. Узнавание образов — это то проявление памяти, которое обычно связано с восприятием. Воспроизведение же не обязательно происходит одновременно с процессом восприятия. Например, пианист может сыграть наизусть знакомую ему пьесу; закрыв глаза, вы можете воспроизвести лицо знакомого вам человека, вид вашей комнаты или однажды увиденный и полюбившийся вам ландшафт, скажем, в Карпатах. Восприятие информации и ее фиксация — это условия ее сохранения в памяти, а узнавание и воспроизведение — это обнаружение того, что данная информация сохранилась в памяти.
Рассмотрим теперь некоторые количественные параметры памяти человека.
В определении емкости нашей памяти существуют значительные расхождения. Ученые оценивают ее величину по-разному: от полутора миллионов (1,5 · 106) до миллиона миллиардов (1015) и даже до 1023 бит[24]. Для оценки этой емкости используются различные подходы. Так, например, Кюмфмюллер при определении минимальной емкости памяти исходит из способности человека усвоить 100 тысяч (105) слов языка. При этом среднюю длину слова он принимает равной 6 буквам, а количество информации, приходящейся на одну букву в устной речи, 1,5 бит и в письменной — log232 = 5 бит. Это дает для минимальной емкости памяти
Ммин = (1,5 + 5) · 6 · 105 = 3,9 · 106бит.
Миллер оценивает пределы емкости памяти, исходя из следующих психофизиологических наблюдений. Минимальную емкость он оценивает в 1,5 * 106 бит, полагая, что человек способен запомнить (выучить наизусть) по крайней мере 1000 комплексов, равноценных таблице умножения, которая содержит 1500 бит информации. Максимальное количество информации он оценивает, исходя из предположения, что человек в течение 80 лет своей жизни ежедневно запоминает информацию по 16 час со скоростью 25 бит/сек, что является, по наблюдениям психологов, максимальной скоростью восприятия. Отсюда получается величина
Ммакс = 25 бит/сек · 3600 сек · 16 · 365 · 80 = 4,5 · 1010 бит.
И. Гуд, считающий, что запоминание определяется изменением состояний синапсов и что каждый синапс может находиться по крайней мере в 10 различных состояниях, оценивает память человека емкостью
М=10 · 30 · 1010 = 3 · 1012 бит,
где число 30 — число синапсов в расчете на один нейрон, а 1010 — число нейронов в коре головного мозга.
Джон фон Нейман в своей книге "Вычислительная машина и мозг" подсчитал, что емкость памяти человека должна составлять 2,8 · 1020 бит информации. Если для записи одного бита требуется один двухпозиционный переключатель, то отсюда следует, что на каждый нейрон в нервной системе должен приходиться объем памяти, эквивалентный 30 миллиардам таких переключателей!
Х. фон Фёрстер считает носителями долговременной памяти молекулы белка, которые он назвал "мнемами". Исходя из того, что объем мозга равен 103 см3, объем одной молекулы белка равен 10-18 см3 и каждая молекула может накопить минимум 1 бит информации, фон Фёрстер оценивал емкость памяти человека астрономической цифрой... 1021 бит!
Это, безусловно, крайне завышенная оценка. В действительности, по-видимому, нет необходимости заходить так далеко. Надо полагать, что истинные пределы емкости человеческой памяти составляют 1010-1015 бит, тогда как запоминающие устройства (ЗУ) современных электронных вычислительных машин (ЭВМ) способны накапливать до 106-107 двоичных единиц информации. И если бы мы захотели построить ЭВМ с ЗУ, равным емкости человеческой памяти, то при всем нашем желании мы этого не смогли бы сделать ни сегодня, ни завтра, ни даже в ближайшие десятилетия, так как общее число всех электронных ламп и транзисторов, имеющихся сейчас на всем земном шаре, едва соизмеримо с числом нейронов в мозге одного человека.
Необходимо также отметить огромную удельную емкость памяти биологических систем по сравнению с памятью технических запоминающих устройств. Если в лучших технических ЗУ эта величина (с учетом схем управления) достигает 103 бит/см3, то предполагаемая удельная емкость для мозга составляет около 1018 бит/см3. Практически , кладовые нашей памяти бездонны.
Трудно представить себе ситуацию, в которой память была бы настолько заполнена информацией, что человек больше не мог бы воспринимать и запоминать новую информацию. Это резко отличает память человека от машинной памяти, в которой подобная ситуация — невозможности ввода новой информации из-за заполнения всех запоминающих ячеек — возникает весьма часто. Объяснение этого замечательного свойства памяти человека заключается вовсе не в безграничной потенциальной возможности фиксации информации, а в наличии своеобразных психофизиологических механизмов, предохраняющих мозг от "переполнения" информацией. У одних людей эти механизмы отличаются большей бдительностью, у других они более "либеральны". С этих позиций легко объяснить случаи так называемой феноменальной памяти и явления гипертрофического обострения памяти, или гипермнезии, возникающей в результате некоторых мозговых заболеваний. Этим же объясняется хорошая результативность проводящихся в последнее время опытов обучения во сне (при неглубоком сне материал запоминается значительно быстрее, чем в обычном, бодрствующем, состоянии). В состоянии такого сна некоторые механизмы, защищающие мозг от избыточной информации, оказываются выключенными, и поэтому обучение проходит быстрее.
По всей видимости, все люди обладали бы феноменальной памятью, если бы им не "мешали" особые защитные устройства мозга. Не будь этих заградительных механизмов, наш мозг мог бы вместить такой объем знаний, который сравним с общим количеством информации, содержащейся в фонде Государственной публичной библиотеки им. В. И. Ленина, — порядка 1013 бит! Вот на что способен человек. Но, увы, каждый из нас необычайно мало использует возможности своей памяти. Мы напоминаем обладателя огромного архива, который пока не нашел ключа к нему. Этот таинственный "ключ" и ищут сейчас ученые всего мира — бионики и инженеры, физики и врачи, математики и химики.
В тридцатых и сороковых годах нашего века известный нейропсихолог Карл Лэшли провел серию широких исследований, имевших целью обнаружить запоминающие области мозга — обособленные "центры памяти". Один из основных экспериментальных приемов Лэшли заключался в следующем. Крыс обучали сложной системе навыков. После того как крыса приобретала определенные навыки, у нее удаляли корковую ткань различных областей мозга. При этом было установлено, что ухудшение памяти зависит от величины удаленного участка, а не от того, какой именно участок удален.
Таким образом, поиски гипотетического "отпечатка памяти", так называемой "энграммы", не увенчались успехом, точнее, они дали отрицательный результат. Память не сосредоточена в каком-нибудь определенном участке мозга, нет, она является коллективным делом всех нейронов, которые сообща шифруют сведения, поступающие от органов чувств, и распределяют копии по всем "заинтересованным" отделам мозга. Иными словами, информация, поступающая в мозг, как бы диффундирует сквозь объемы серого вещества. Этим, вероятно, можно объяснить многочисленные случаи, когда прекращение деятельности некоторых групп нейронов в различных участках коры головного мозга не сказывается существенно на функциях памяти.
Что касается механизма хранения получаемых знаний, то по этому поводу мнения ученых на сегодняшний день в основном можно свести в следующую гипотезу. Существует два вида хранения: память кратковременная, оперативная, та, что всегда "под рукой", и память долговременная, "постоянная", стабильная, или, как еще говорят, долгосрочная, основная, фондовая, запрятанная довольно глубоко. Однако имеется немало веских доводов в пользу так называемой "трехступенчатой" теории памяти. Согласно этой теории, на первой ступени, или на первом уровне, находится короткая, "мимолетная" память, порядка нескольких секунд или даже и того меньше. Она воспринимает сотни чувственных впечатлений, которые непрерывно поступают в бодрствующий мозг и чаще всего тут же забываются. На втором уровне располагается память средней продолжительности — от нескольких минут до нескольких часов. Здесь в качестве примеров можно привести зубрежку перед экзаменами. На самом же глубоком уровне находится долговременная память. Из всех воспринимаемых впечатлений и информации отсеиваются и выбираются те данные, которые в силу их яркости, интереса или полезности сохраняются.
Эксперименты, подтверждающие эту гипотезу, выглядят довольно убедительно. "Если крысу или хомяка, — пишет Д. Вулдридж, — обучить выполнению какой-либо новой задачи и спустя несколько минут после окончания тренировки пропустить через головной мозг животного достаточно сильный электрический ток, вызывающий судороги, то это приведет к частичной или полной утрате результатов обучения. Если шок следует за обучением всего лишь через 5 мин, результаты утрачиваются полностью: при промежутке в 15 мин потеря навыка еще значительна, если прошел целый час — совсем невелика; через несколько часов после окончания обучения электрошок уже не оказывает видимого влияния на сохранение результатов обучения в памяти и на способность животного выполнять усвоенную процедуру. Очевидно, в этих опытах ток, пропускаемый через мозг, не может повредить следы, если они уже закрепились в долговременной памяти, но еще способен либо разрушать следы "промежуточной" памяти, либо инактивировать неизвестный механизм превращения их в следы постоянной памяти. В том и другом случае эти эксперименты, по-видимому, указывают на то, что у исследованных животных время, необходимое для формирования следа в долговременной памяти, измеряется минутами, а не часами".
"Таким образом, — пишет далее Д. Вулдридж, — субъективные наблюдения в сочетании с объективными данными привели нас к "трехстадийной" теории памяти. В течение короткого времени мозг автоматически сохраняет информацию о состоянии внешней среды в данный момент, доставляемую нервными импульсами от наружных рецепторов. При отсутствии отбирающих и закрепляющих процессов следы этой входной информации исчезают очень быстро — вероятно, за несколько секунд. Однако в нормальных условиях, отчасти сознательно, отчасти бессознательно, какой-то концентрирующий внимание механизм — возможно, ретикулярная активирующая система — производит первичную сортировку поступающих данных, часть которых выделяется им как особо интересная и передается для хранения механизму, который мы назвали "промежуточной" памятью. Если след памяти подкреплен процессом концентрации внимания, он может, по-видимому, сохраняться в этом промежуточном состоянии несколько минут. В мозгу, функция которого нарушена в результате болезни, хирургического вмешательства или электростимуляции, такое закрепление может оказаться невозможным, и тогда след памяти по прошествии нескольких минут безвозвратно утрачивается. В нормальном же мозгу протекает какой-то процесс, в результате которого этот след фиксируется. Видимо, и в этом случае концентрация внимания — возможно, с помощью того же механизма, который отбирал первичные сенсорные данные, — окончательно закрепляет некоторую часть информации в долговременной памяти, другая же часть ее фиксируется настолько слабо, что может и вовсе выпасть из системы памяти, если не будет позже подкреплена повторением или "внутренним" воспроизведением.
Но если все это так, то какова же все-таки материальная основа памяти? В каких физических формах она обитает?
Первая основательная современная теория памяти, которая пользовалась довольно широким признанием до самого последнего времени, исходила из того, что память обусловлена чисто электрическими явлениями. Согласно этой простой и изящной теории, каждая поступившая в центральную нервную систему единица информации образует в мозгу электрическую цепь из нейронов. По этим цепочкам (а их может быть для восприятия информации, поступающей в течение всей жизни, бесконечное множество) "гуляют" токи определенной частоты, и каждая из них — это зашифрованный образ. Тот факт, что нервные импульсы от сенсорной системы прокладывают следы памяти различной силы и частоты через синапсы в нервной сети головного мозга и формируют схемы, способные к последующему воспроизведению, позволил английскому физиологу Ч. Шеррингтону найти для мозга весьма удачное образное сравнение. Ученый уподобил мозг "...волшебному ткацкому станку, на котором миллионы сверкающих челноков ткут мимолетный узор, непрестанно меняющийся, но всегда полный значения".
В начале беседы нами были отмечены опыты Джаспера и Пенфилда, которые показали, что в височной части больших полушарий коры головного мозга человека находятся отделы, раздражение которых электрическим током вызывает у людей определенные воспоминания. Эти эксперименты прекрасно согласовывались с "электрической" теорией памяти. Однако результаты поставленных позже других опытов заставили ученых усомниться в правильности этой теории. Различных подопытных животных приучали к выполнению тех или иных задач, а затем мощными электрошоками или сильнодействующими препаратами пытались стереть или разрушить электрические схемы памяти, но животные и после этого не теряли своей "квалификации". Не могла "электрическая" теория объяснить и многие другие факты: почему, например, сохраняется память, когда мозг поврежден и электрическая активность его коры почти полностью утрачена? Почему так мало выделяется энергии в мозгу, хотя по электрической теории памяти все должно было бы быть как раз наоборот?
В общем, память упорно не хотела укладываться в электрическую теорию, и ученым в конце концов пришлось от нее отказаться. Видимо, решили ученые, запоминание происходит за счет каких-то изменений внутри нейрона, на молекулярном уровне. И ученые занялись поисками химических основ памяти.
Первым проник в молекулярные глубины головного мозга шведский нейрофизиолог, профессор гистологии Гётеборгского университета Хольгер Хиден. Для проведения исследований на молекулярном уровне ему надо было прежде всего усовершенствовать методику выделения изолированных живых клеток мозга. Главная трудность в химии головного мозга заключается в том, что исследователям приходилось иметь дело с неоднородной тканью, и поэтому нередко результаты оказывались путаными и неясными. Начав свои исследования примерно в 1957 г., Хиден разработал специальный набор инструментов из нержавеющей стали, состоящий из микроножей и тончайших крючков. После года терпеливой и настойчивой практики он научился, пользуясь этим набором и стереомикроскопом, изолировать нейроны размером меньше пылинки. Он научился "счищать" с нейрона более мелкие глиальные клетки, а затем и выделять ядро из тела нейрона, что позволяло анализировать каждый его компонент по отдельности. Хиден обнаружил, что в нервных клетках содержится поразительно большое количество рибонуклеиновой кислоты (РНК) — в десять с лишним раз больше, чем в глиальных клетках. Кроме того, он установил, что процессы синтеза и разрушения РНК в нервных клетках протекают с большой скоростью. Более того, оказалось, что РНК нервных клеток отличается по составу от глиальной РНК. Все виды РНК состоят из четырех оснований: аденина, гуанина, цитозина и урацила, скомбинированных в различных пропорциях. Связь между основаниями и их чередование в молекуле определяют код, который несет на себе РНК. Хиден установил, что концентрация аденина и урацила в клетках обоих видов примерно одинакова. Но нервная клетка содержит пропорционально больше гуанина и меньше цитозина.
К началу 1960 г. Хиден и его коллеги накопили огромный экспериментальный материал, множество поразительных данных. Опыты ставили на кроликах, крысах и других животных. Некоторых животных подвергали обычной стимуляции, в частности вращали на центрифуге, других приучали выполнять определенные задачи. Так, например, в деревянную клетку помещали крыс, которые должны были добывать себе корм несколько необычным способом. На высоте около метра в ней установили маленькую платформу с кормушкой, к которой вела стальная проволока. Крысы должны были научиться карабкаться по проволоке, чтобы добыть себе пищу. После четырехдневной тренировки вестибулярный аппарат, ведающий равновесием тела животных, к которому при добывании корма предъявлялись весьма высокие требования, стал справляться с трудной задачей — крысы научились удерживаться на проволоке. После этого животных умерщвляли и исследовали ту часть их мозга, которая была "ответственна за равновесие". Изучение нервных клеток вестибулярного аппарата крыс-"канатоходцев" привело к интересным результатам. Было установлено, что возбуждение, вызванное обучением животных новым навыкам, значительно повышает выработку РНК в нейронах головного мозга, которые и без того содержат больше РНК, чем любые другие клетки тела. Кроме того, с повышением активности РНК в нейроне она снижалась в связанных с ним глиальных клетках, и наоборот. Таким путем выяснилось, что глиальные клетки, которые до этого считались не более чем опорно-изолирующими структурами для нейронов, на самом деле активно с ними связаны. Когда активность нейрона достигает своего максимума, нейроглия снабжает его дополнительной РНК и соединениями, богатыми энергией; когда нерв "успокаивается", нейроглия пополняет свой собственный запас РНК.
Самое же важное в результатах Хидена состояло в том, что при экспериментальном возбуждении головного мозга той или иной формой учебных упражнений в нем не только повышается выработка РНК, но изменяется и ее состав: небольшая часть этой РНК отличается последовательностью оснований или химическим составом от любой РНК, обнаруживаемой в нейронах "необученных", контрольных животных. В этих видоизмененных молекулах РНК, очевидно, и закодированы вновь приобретенные знания — к такому заключению пришел ученый.
Своими открытиями Хиден, в сущности, подвел первый физический фундамент под молекулярную, химическую теорию памяти. Согласно этой теории, импульсы, приходящие в мозг, изменяют электрические цепи, которые всегда существуют между нервными клетками — нейронами. При этом нарушается ионное равновесие внутри клетки, что и влияет на РНК, точнее сказать, на ее основания. Иногда они меняют свое местоположение, что соответствует фазе переходной памяти. Меняется и сама РНК — программа, по которой в клетке синтезируется соответствующий белок. Меняется и сам белок. Так РНК и белок совместно создают постоянные следы памяти внутри клеток коры головного мозга. Во время воспоминаний сигналы поступают в те мозговые клетки, где уже хранится информация. Происходят сложные реакции, в нервных клетках наступает разряд, в результате чего из кладовых "выдается" запасенная информация. Следы памяти образуются во многих клетках мозга. Поэтому-то и невозможно найти в мозгу какое-либо одно место, где хранится память.
Итак, по Хидену, запоминание происходит на молекулярном уровне. А нейронные цепочки — это только вспомогательный аппарат памяти, "собирающий" блоки памяти. Как видите, разница между электрической и химической теориями памяти весьма существенна.
Гипотеза Хидена о том, что память содержится в молекуле, вызвала настоящий взрыв экспериментов. Некоторые исследователи полагали, что самые прямые опыты должны состоять в том, чтобы перенести молекулы РНК из мозга обученных животных в мозг необученных и наблюдать результаты. Американский психолог Мак-Коннел выбрал для своих опытов планарий — крохотных водяных червячков. Их приучали к тому, что одновременно со вспышкой света наступит раздражение — электрический укол. После нескольких сочетаний укола и вспышек у червей вырабатывался оборонительный рефлекс: достаточно было только вспышки света, и тело планарий тотчас же сокращалось. Добившись такого "запоминания", экспериментатор растолок в ступке "обученных червей" (причем настолько тщательно, что о сохранении каких-либо клеточных структур не могло быть и речи) и полученной массой кормил планарий, ничего не "знающих" ни о вспышке света, ни об электрических уколах. В 1962 г. Мак-Коннел опубликовал сенсационное сообщение, в котором писал, что его "образованные" черви, будучи изрублены и скормлены "необученным" червям, передали им свою приобретенную способность. Последние вдвое быстрее, чем их предшественники, научились реагировать на световой сигнал. Иными словами, "необученных" червей накормили памятью!
В поисках подтверждения гипотезы о химической основе памяти и возможности "передачи" памяти искусственным путем следующий важный шаг вперед сделала в 1964 г. группа американских ученых под руководством психолога Аллана Л. Джекобсона. Всю свою экспериментальную работу в этом направлении исследователи Калифорнийского университета перенесли с такого низшего звена, как черви, на крыс.
Джекобсон и его коллеги сначала приучили крыс бежать к кормушкам после того, как раздавалось резкое пощелкивание. С каждым щелчком в кормушку падала маленькая порция пищи, вознаграждавшая крысу за ее приход. Когда дрессировка была закончена, животные были убиты, и РНК, выделенная из их мозга, вводилась другим, недрессированным крысам. Что же получилось? "Необученные" крысы после пощелкивания начинали поиски кормушки с пищей. Как сообщалось в научном журнале Калифорнийского университета, исследователи 25 раз повторили опыты с каждой из 7 крыс, которым была введена РНК "обученных" животных, и установили, что при подаче сигнала крысы, не прошедшие дрессировку, от одного до десяти раз приближались к кормушке вплотную. Чтобы подтвердить свои наблюдения, исследователи вводили РНК от группы "необученных" контрольных крыс 8 другим, таким же "необученным", и повторили испытания. Крысы никак не реагировали на звук резкого щелчка.
Далее ученые усложнили опыты. Они провели подобные же эксперименты, в ходе которых РНК бралась для инъекции от крыс, обученных отыскивать пищу при пощелкивании или при действии мигающего света, а также от "обученных" животных других видов, например от хомяков, которые близки крысам, но имеют много отличий. Эти эксперименты также подтвердили, что РНК переносит информацию сегодняшнего дня и это проявляется даже тогда, когда животные относятся к разным видам!
Так своими экспериментами Джекобсон поддержал гипотезу о записи опыта в молекулах РНК ("гипотеза РНК-энграммы", или "РНК-гипотеза"). Общая черта этих гипотез, напомним, заключается в стремлении использовать огромную информационную емкость основных биологических макромолекул — ДНК, РНК и белков — для объяснения записи поступающей в мозг разнообразной информации путем соответствующих изменений в их молекулярной структуре. И действительно, "РНК-гипотеза", казалось бы, разрешает некоторые сложные проблемы и, в частности, может объяснить, каким образом в памяти хранится чрезвычайно разнообразная информация. Во всяком случае то, что в образовании запаса знаний "виновата" именно перестройка молекулы белка, позволило одному известному биофизику дать необычайно яркий образ: "...в основе каждой уродливой мысли лежит химически изуродованная молекула". Приверженцы же научной фантастики из опытов Хидена, Мак-Коннела и Джекобсона не приминули сделать предельно ясный вывод: весь процесс обучения человека в будущем будет сведен к небольшому числу инъекций памяти.
Однако, несмотря на добытые экспериментальным путем обоснования "РНК-гипотезы", эта гипотеза сталкивается с серьезными возражениями. Так, комментируя статью Джекобсона "Знание, переданное шприцем", старший научный сотрудник Института молекулярной биологии АН СССР К. Кафиани пишет:
"РНК-гипотеза" предполагает изменение последовательности расположения составных частей РНК под влиянием внешней среды. Это предположение несовместимо с твердо установленными молекулярной биологией данными о механизме образования и о физических и химических свойствах РНК. Дело в том, что гипотеза предполагает существование принципиально иного, чем во всех известных живых системах, способа кодирования информации в макромолекулах. Хотя мозг и является наиболее высокой формой организации живой материи, однако нет достаточных оснований думать, что его работа построена на принципах, не подчиняющихся общим закономерностям живых систем. Напротив, всем опытом биохимии и молекулярной биологии доказано принципиальное единство химических и молекулярных механизмов на всех уровнях организации живой материи. Особенности функционирования мозга надо, мне кажется, искать не столько в особых, гипотетических, можно даже сказать, фантастических принципах молекулярных процессов, сколько в особом характере над-клеточной организации нервной ткани. Ведь удивительные свойства кибернетических устройств определяются не сложностью их элементов или действием особых физических механизмов, а особым способом соединения этих элементов в некоторую сложную систему".
Определенные сомнения вызывают у ряда ученых и экспериментальные обоснования "РНК-гипотезы". Во-первых, говорят они, результаты подобных опытов часто направляются в желаемую сторону самими условиями эксперимента. Во-вторых, кажется весьма маловероятным, чтобы довольно непрочная молекула РНК, введенная в организм рецепиента, могла добраться до мозга целой и невредимой через пищеварительный тракт и барьер, который ограждает мозг от крупных чужеродных молекул. "Всякий, кто имел дело с РНК, — пишет К. Кафиани, — знаком и с ее заклятым врагом — ферментом рибонуклеазой, которая с огромной скоростью превращает стройные молекулы РНК в смесь низкомолекулярных осколков. Этот фермент присутствует в любой клетке организма (а значит, и мозга), в крови, с которой РНК должна якобы доставляться в мозг. Вероятность того, что РНК достигнет места ее функционирования в мозгу, сохранив закодированную в ней информацию, поистине ничтожна".
И наконец, самый сильный аргумент против "РНК-гипотезы" заключается в том, что некоторые ученые воспроизвели опыты Мак-Коннела и Джекобсона, но не смогли воспроизвести их результатов. Поэтому представление о том, что память или выученную способность можно перенести в молекуле из одного организма в другой, встречает серьезные возражения. Существует мнение, что результаты поставленных опытов можно объяснить скорее передачей "способности к навыку", нежели передачей информации как таковой. Например, в некоторых опытах червям скармливали других червей, которые научились быстро находить правильную дорогу в простом лабиринте. Черви-каннибалы находили путь через лабиринт скорее, чем другие, но и они не могли проползти через него сразу, без предварительной тренировки. Вполне возможно, что передается не сама память, а какое-то вещество, ускоряющее процесс запоминания.
Нужно сказать, что, по мнению самого Джекобсона, на основании проведенных им экспериментов пока еще рано делать какие-то обобщения и выводы относительно "РНК-гипотезы". "Все еще остаются нерешенными, — пишет ученый, — некоторые фундаментальные проблемы. В чем состоит действительная природа явления переноса поведения и можно ли отнести его к запоминанию, что вызывает это явление — уверены ли мы, что это РНК и только РНК? Неясно и многое другое... Проблемы запоминания и памяти сегодня не стали проще, чем когда-либо; действительно, может показаться, что новый биохимический подход поставил больше вопросов, чем дал ответов..."
И все же, несмотря на высказываемые многими учеными возражения и сомнения по поводу "РНК-гипотезы", безусловно, следует положительно оценить общую тенденцию к поискам связи между физиологией высшей нервной деятельности и молекулярной биологией. Разработка правильной в целом идеи об участии РНК и белкового синтеза в явлениях долговременной памяти, безусловно, перспективна. По всем данным РНК принадлежит немаловажная роль в механизме памяти. Это вещество очень близко к дезоксирибонуклеиновой кислоте (ДНК), являющейся, как известно, носителем информации наследственности, зашифрованной в химическом виде фактически во всех живых организмах. Если генетическая информация может передаваться веществом ДНК, то вполне резонно предположить, что вещество РНК может быть носителем информации другого типа...
Пока никто не в состоянии дать исчерпывающий ответ на все вопросы, связанные с деятельностью мозга: о механизме памяти, об удивительной системе произвольного доступа к огромным запасам информации, хранящейся в мозгу, о гибкости и надежности памяти человека. Но великий русский физиолог И. М. Сеченов, очень хорошо понимавший титаническую трудность проблемы, утверждал, что предпосылки для понимания функции мозга состоят в "...строгом разборе его машинности". Успехи кибернетики и бионики — лучшее доказательство справедливости этого тезиса. Новым наукам, развиваемым совместными усилиями физиологов, математиков и специалистов по электронике, союз которых оказался чрезвычайно плодотворным, по плечу любая задача. Рано или поздно ученые смогут выведать у мозга самые сокровенные его тайны.
Значительная и даже, пожалуй, основная часть ведущихся ныне исследовательских работ по бионике посвящена созданию аналогов биологического нейрона — нервной клетки, являющейся основным элементом нервной системы. Конечная цель этих работ — создание систем, предназначенных для накопления, обработки и передачи большого количества информации, электронных машин, способных решать любые сложные задачи без предварительного программирования, различных самообучающихся, адаптивных (самоприспосабливающихся), самонастраивающихся, самоорганизующихся устройств, обладающих малыми габаритами и высокой надежностью. Иными словами, речь идет о создании широкого комплекса автоматических систем, функционирующих по принципу, аналогичному законам деятельности и принципам организации живого мозга.
Нервная система человека и животных содержит нейроны различных типов, при помощи которых мозг воспринимает, обрабатывает, накапливает и передает информацию, регулирующую работу биологической системы в соответствии с изменением внешних условий, т. е. так, чтобы обеспечить ее наибольшую адаптацию к окружающей среде. В основном нейроны делятся на три класса: чувствительные (сенсорные), или рецепторные, которые воспринимают и передают свет, тепло, давление и другие воздействия внешней среды; двигательные (моторные), или эффекторные, контролирующие сокращение мышц; вставочные (ассоциативные), или про-межуточные, которые связывают между собой специализированные типы и комплектуют мозг. Нейроны этих трех классов можно рассматривать как входные устройства, выходные устройства и все, что находится между ними. Помимо различий в величине и форме, у нейронов встречаются и необычные структуры, наиболее заметные у некоторых рецепторных нейронов; окончания этих нейронов снабжены разнообразными приспособлениями (физик назвал бы их преобразователями), с помощью которых давление, химический состав, температура или иные физические величины, воспринимаемые нейронами, могут преобразовываться в особые электрохимические сигналы.
Для того чтобы познакомиться со строением нервной клетки и ее работой, возьмем в качестве образца промежуточный нейрон. Этот выбор обусловлен тем, что промежуточный нейрон является типичной нервной клеткой живого организма — из общего числа имеющихся у человека нервных клеток более 9 миллиардов являются промежуточными нейронами. Схематическое изображение нейрона приведено на рис. 1. Он состоит из тела клетки (1), содержащего ядро и цитоплазму, заключенную в оболочку (мембрану), от которой отходят ветвящиеся отростки — дендриты (2), осевой отросток, или нервное волокно, — аксон (3), заканчивающийся концевым разветвлением (5), примыкающим к другим клеткам через синаптические контакты, или синапсы (6). От аксона отходят боковые отростки — коллатерали (4), также заканчивающиеся на других клетках.
Тело нервной клетки в поперечнике обычно меньше 0,1 мм. Объем крупного нейрона составляет примерно 0,001 мм3. Дендриты имеют диаметр порядка 0,01 мм и длину от долей миллиметра до десятков сантиметров. Длина аксона нервных клеток человека колеблется от долей миллиметра до 1,5 м (при толщине около 0,025 мм).
По современным представлениям, в основе функции реального нейрона лежат электрохимические процессы. Его мембрана состоит из четырех мономолекулярных слоев (белок — липоид — липоид — белок) общей толщиной около 10-6 см. Нейрон в состоянии покоя имеет следующие электрические параметры: разность потенциалов 70 мв, удельное сопротивление 0,4 · 1012 ом · см и емкость 1 мкф/см2 (данные измерений между наружными поверхностями мембраны).

Рис. 1. Схематическое изображение нейрона (нервной клетки)
Нервы в организме играют роль линий связи между рецепторными нервными клетками с чувствительными окончаниями, воспринимающими информацию, скоплениями нейронов, предназначенных для обработки информации, и исполнительными, или эффекторными, клетками, обеспечивающими соответствующие реакции отдельных органов или участков организма. Все эти элементы, воспринимающие, передающие, перерабатывающие и выдающие управляющую информацию, образуют нервную систему. Функция нервной системы основана на процессах возбуждения и торможения. Возбуждение возникает под влиянием электрических, тепловых, химических и механических раздражений и распространяется по нервным волокнам в виде электрических импульсов. Импульс, возникающий в нейроне, распространяется по аксону без затухания и с постоянной скоростью, примерно равной a VD, где а — постоянная величина, a ?D — диаметр аксона. Таким образом, чем толще аксон, тем больше скорость распространения импульсов. Эта скорость неодинакова у различных организмов. У человека она не превышает 120 м/сек, у собаки она составляет 83,3 м/сек, у улитки — 0,05 — 0,4 м/сек.
Посмотрим теперь, как "работает" нейрон. Он может находиться в двух состояниях: возбуждения и торможения. Различные части нейрона несут разные функции. Дендриты служат входами, по которым к телу клетки подводятся импульсы раздражения, а аксоны — выходами, по которым передается возбуждение на другие клетки. В передаче нервными волокнами возбуждения велика роль синапсов, т. е. мест перехода возбуждения от одной нервной клетки к другой. Синапсы обладают односторонней проводимостью, т. е. возбуждение передается только с окончаний аксона одного нейрона на дендриты и тело клетки другого нейрона (на крупных нейронах насчитывается до 1000 синапсов). Кроме односторонней проводимости синапс характеризуется еще одним интересным свойством: в нем происходит замедление проведения возбуждения, т. е. замедляется передача раздражения. Это называется синаптической задержкой. Прохождение возбуждения через синапс как бы подготавливает почву и облегчает прохождение через него следующего возбуждения.
Нейрон имеет множество входов, а выход у него только один. Входной импульс может быть возбуждающим или тормозящим; он может иметь самые различные параметры; выходной же сигнал каждого нейрона представляет собой импульс, амплитуда и длительность которого постоянны. Примечательно, что нейрон срабатывает только при определенном уровне входного воздействия, называемом пороговым. Если раздражение, поступающее на один из входов, ниже, этого уровня, то нейрон продолжает оставаться невозбужденным. Если оно выше этого критического уровня, то нейрон переходит в возбужденное состояние, при котором энергия из тела клетки передается в виде стандартного импульса в аксон.
В течение некоторого времени после разряда нейрона входные сигналы не вызывают его возбуждения.
Это объясняется резким повышением порогового уровня при генерировании нейроном выходного сигнала. В дальнейшем за время, называемое временем восстановления, пороговый уровень понижается до прежней величины. Состояние нейрона после его срабатывания характеризуется возбудимостью — величиной, обратной пороговому уровню. Кривая зависимости возбудимости нейрона от времени приведена на рис. 2, где по оси абсцисс отложено время, прошедшее после срабатывания нервной клетки, а по оси ординат — величины, обратные пороговому уровню (в процентах от нормального значения).

Рис. 2. Кривая зависимости возбудимости нейрона от времени (по Л. И. Крайзмеру)
Как видно из графика, следующий разряд нейрона может произойти не ранее, чем через некоторый интервал времени от 0 до t1. Такой интервал, называемый периодом абсолютной рефрактерности, длится от 0,4 до 2 мсек. В течение этого времени пороговой уровень нейрона как бы оказывается равным бесконечности, а возбудимость его равна нулю. Считают, что время пониженной возбудимости нейрона от момента его срабатывания до восстановления нормального порога определяется необходимостью восстановить энергию клетки, затраченную на подготовку и генерирование выходного импульса. После окончания периода полной невосприимчивости происходит постепенное (в течение нескольких десятков миллисекунд) снижение порогового уровня до нормальной величины. Этот период (от момента t1 до t2) носит название периода относительной рефрактерности. За ним следует фаза повышенной возбудимости нейрона (от момента t1 до t3), во время которой он может сработать и при воздействии возбуждения ниже порогового уровня. Наконец, в некоторый момент времени t3 восстанавливается нормальная возбудимость нейрона.
Но всем этим динамика нейрона не исчерпывается. Раздражения, уровни которых недостаточны для возбуждения, но действующие на несколько входов одновременно, суммируются и возбуждают нейрон — это так называемое пространственное суммирование. Раздражения с уровнями ниже порога, но следующие одно за другим через короткие промежутки времени, тоже суммируются и возбуждают нейрон. Здесь происходит последовательное суммирование, или суммирование во времени. В механизме возбуждения нейрона часто имеют место одновременно оба процесса — суммирование раздражений как в пространстве, так и во времени. При этом роль предыдущих импульсов возбуждения становится тем меньше, чем больше времени прошло после их появления. Происходит как бы затухание их следов, которое подчиняется экспоненциальному закону.
Как отмечалось выше, импульсы раздражения могут быть возбуждающими или тормозящими и они могут поступать на разные входы нейрона одновременно. Если их алгебраическая сумма превышает пороговый уровень, то нейрон возбуждается и выдает импульс.
Все эти сведения об устройстве и функциях нейрона были собраны нейрофизиологами путем экспериментов, которые трудно назвать даже ювелирными — они значительно тоньше. Исследования электрической стороны деятельности нейронов, которая так интересует инженеров, проводились с помощью микроэлектродов. О них мы рассказывали в беседе "Зрячие машины". Ученым удалось просмотреть на осциллографе все электрические процессы, происходящие в живых нервных клетках, проанализировать связи, существующие между ними, записать электрические "голоса" работающих нейронов на магнитофонную ленту и т. д.
Инженеры интерпретировали всю информацию, полученную от нейрофизиологов, таким образом: нейрон с его способностью находиться только в двух состояниях — возбуждения и торможения — представляет собой (упрощенно) биологический вариант двухпозиционного реле — электронного или любого другого. Функционирование нервной системы определяется числом и характером связей между нейронами, а также видом сигналов, поступающих на вход нервных клеток. Все это в совокупности приводит к мысли, что нервную систему можно рассматривать в некотором роде как весьма сложную, высокосовершенную вычислительную машину, имеющую множество чрезвычайно важных преимуществ перед самыми сложными современными системами управления, перед новейшими кибернетическими автоматами. Так, нынешние кибернетические устройства еще очень далеки от человека в своих "способностях" воспринимать информацию в виде рукописного или печатного текста, в виде чертежей, речи, движущихся изображений и т. п. Большинство современных кибернетических систем, как известно, работает по жестким, заранее заданным программам. Нервной же системе свойственны высокая степень самоорганизации, быстрое приспособление к новым ситуациям, к изменению программ своей деятельности и т. д. А если перейти к процессам мышления, памяти, сознания, то перечень "преимуществ" мозга можно значительно расширить; однако и так достаточно ясно, что технике есть чему поучиться у живой природы. И именно поэтому творцы вычислительной техники с таким упорством и настойчивостью ищут новые пути конструирования вычислительных устройств в аналогиях с работой нервной системы живых существ.
При разработке технической модели нейрона, по-видимому, целесообразно принимать во внимание следующее:
1) модель нейрона должна иметь два возможных состояния, соответствующих возбужденному и заторможенному состояниям;
2) схема модели должна иметь множество входов, на которые в различные моменты времени могут поступать сигналы;
3) на входных участках, контактах, или "клеммах", нейрона должна осуществляться задержка сигнала, аналогичная синаптической;
4) реакция модели на входное воздействие должна зависеть от входа, к которому оно прикладывается;
5) результирующее воздействие на тело нейрона определяется суммой воздействий от всех входов (пространственное суммирование) и предысторией, т. е. суммой предшествующих воздействий с учетом затухания их по экспоненциальному закону с некоторой постоянной времени (суммирование во времени);
6) срабатывание (возбуждение) модели нейрона должно происходить лишь в том случае, если результирующее воздействие поступающих (возбуждающих и тормозящих) сигналов превысит пороговый уровень;
7) при срабатывании модели нейрона на выходе должен появляться стандартный сигнал.
Это, так сказать, исходные данные, которые можно рассматривать как техническое задание на проектирование искусственного нейрона. Однако к техническому моделированию нейрона может быть два подхода, и оба они реально существуют сегодня.
Ученые, принадлежащие к одной школе, стремятся создать модели нервных клеток, воспроизводящие по возможности наиболее точно их биологические функции. Цель их работы состоит во всестороннем изучении возможных функций нейронов, связанных с обработкой информации, и еще более глубоком уяснении действия биологических систем. Примером модели, сконструированной по этому принципу, может служить нейромим американского инженера Хармона. В его модели возбуждающие входы и один тормозящий связаны в интегрирующую цепь с пространственно-временным суммированием с постоянной т, равной 0,46 — 1,2 мсек (в зависимости от конфигурации возбуждений входных цепей). При возбуждении нейрона создается импульс в соответствии с принципом "все или ничего". Во время формирования импульса и в течение еще примерно 1 мсек порог возрастает и элемент находится в фазе абсолютной рефрактерности; далее следует фаза относительной рефрактерности, в течение которой пороговый уровень спадает по экспоненте до нормального своего значения. Синаптическая задержка в модели Хармона, равная 0,1 — 1 мсек, определяется частотой возбуждения. Синаптический переход и процесс суммации моделируются соответствующими цепями RC. Выбранные здесь параметры хорошо отражают временные характеристики двигательного нейрона.

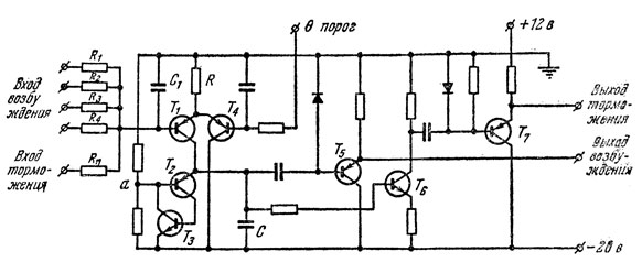
Рис. 3. Принципиальная электрическая схема искусственного нейрона, разработанная в Институте кибернетики АН УССР
На рис. 3 приведена принципиальная электрическая схема искусственного нейрона, разработанная в Институте кибернетики АН УССР и предназначенная для использования в нейронных сетях. Здесь также осуществляется пространственное и временное суммирование, имеются периоды абсолютной и относительной рефрактерное. Отдельный вход торможения отсутствует, а на базу транзистора Т1 через сопротивления R1 R2, ..., Rn подаются положительные импульсы, которые алгебраически складываются с импульсами возбуждения. Когда напряжение на емкости С1, обусловленное входными сигналами, достигает уровня, равного или превышающего пороговый (Uc1 ? 0порог), транзистор Т1 открывается и релаксатор, собранный на Т2, Т3 по схеме Муди-Флорида, вырабатывает отрицательный импульс. Эмиттерный повторитель Т5 подает его на выход возбуждения. Инвертор Т6 и повторитель T7 формируют тормозящий сигнал. Применение эмиттерных повторителей обеспечивает большой коэффициент логического разветвления схемы. Амплитуда, длительность и крутизна выходных импульсов модели нейрона постоянны и не зависят от частоты и амплитуды входных импульсов. При необходимости все эти параметры можно изменить.
При втором, бионическом, подходе, преследующем цель создания высокосовершенных кибернетических устройств, ученые стремятся строить модели, способные воспроизводить гибкие логические функции нейрона и применимые в устройствах технической кибернетики. Эти модели, естественно, должны быть лишены ряда "недостатков", присущих (с инженерной точки зрения) живым нервным клеткам. Так, например, моделирование такого явления, как пониженная возбудимость в течение относительно длительного периода, необходимого для отдыха и пополнения запаса энергии, израсходованного при возбуждении нейрона, может сказаться на быстродействии кибернетического устройства, что в ряде случаев крайне нежелательно.

Рис. 4. Обобщенная блок-схема искусственного нейрона
Абстрагируясь от физиологических особенностей и используя только "логику" нейронов, ученые за последние годы создали ряд формальных моделей нервной клетки, для которых характерны, например, следующие признаки: активность нейрона, т. е. его способность генерировать выходной сигнал, подчиняется принципу "все или ничего", "да — нет", "нуль — единица"; возбуждению нейрона предшествует некоторый период накопления сигналов возбуждения от ограниченного числа входов (синапсов). Это время не зависит от предыдущего состояния нейрона (рефрактерность не моделируется), число сигналов и порог не зависят от расположения синапсов в нейроне; запаздывание в схеме происходит только в синапсах. Обобщенная блок-схема такой модели показана на рис. 4.

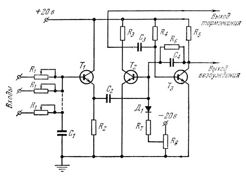
Рис. 5. Принципиальная электрическая схема модели нейрона
Как видно из рисунка, входные воздействия поступают на сумматор, где происходит их пространственное суммирование. Линия задержки имитирует замедление сигнала на синапсах и осуществляет временное суммирование. Вентиль пропускает обработанный предыдущими каскадами сигнал на пороговое устройство, срабатывающее только при достижении сигнала на его входе определенного уровня. Передача возбуждения через вентиль в обратном направлении невозможна.
На рис. 5 приведена электрическая схема модели нейрона, выполненная на транзисторах. Суммирование входных воздействий осуществляется резисторами R1. Изменяя их величину, можно менять степень влияния данного входа на состояние "нейрона". Совместно с С1 они выполняют и функцию задержки. В качестве порогового элемента здесь применен ждущий мультивибратор, собранный на транзисторах Т2 и Т3 В устойчивом состоянии Т3 открыт и потенциал на его коллекторе примерно равен нулю, вследствие чего Т2 закрыт. Дополнительное запирающее смещение, снимаемое с резистора R8, определяет порог срабатывания мультивибратора. Сигнал на мультивибратор подается через эмиттерный повторитель, который обеспечивает одностороннюю передачу и выполняет роль вентиля с одновременным усилением результирующего возбуждения. При достижении порогового уровня возбуждения схема переходит в состояние квазиравновесия, при котором напряжение на коллекторе Т2 быстро падает до нуля. Длительность пребывания в этом состоянии определяется емкостью конденсатора С3 и сопротивлением резистора R4. Через время t ? 3R4C3 сек происходит опрокидывание схемы. При этом на выходе возбуждения формируется положительный , а на выходе торможения — отрицательный импульсы длительностью t.

Рис. 6. Блок-схема артрона
На вход этой модели подаются с различными интервалами импульсы определенной амплитуды с длительностью 1 мсек. На выходе схемы при ее срабатывании получается импульс длительностью 1 мсек и амплитудой 15 в. Максимальная частота срабатывания модели — 500 гц. Эта схема хорошо воспроизводит основные характеристики биологического нейрона, но не способна к адаптации, т. е. к изменению характера работы при изменении окружающих условий.
Этого недостатка лишены аналоги нейронов, получившие название артронов. Они отличаются наличием цепи обратной связи и двух дополнительных входов — "наказывающего" и "поощряющего". Схематически это показано на рис. 6. Внешние условия преобразуются чувствительными элементами в раздражения, которые подаются на входы искусственного нейрона. Информация поступает и от соседних нейронов.
Поскольку "необученная" модель нейрона совершенно не знает, как вести себя при определенных внешних условиях и сигналах от соседей, ее выходной сигнал при поступлении первого раздражения имеет чисто случайный характер. Но за свои действия искусственному нейрону все же придется отвечать без скидки на младенческий возраст! Выходной импульс, поступающий на другие нейроны, одновременно подается на схему проверки. Если реакция нейрона на раздражение была правильной, то эта схема выдает импульс на поощряющий вход, если же он ошибся, то немедленно на другой вход приходит импульс наказания. Действия, подкрепленные поощряющим сигналом, запоминаются нейроном, и в другой раз при аналогичных условиях он будет выполнять именно их. Если же со схемы проверки поступает наказание, то в следующий раз при таком же возбуждении нейрон сработает по-другому и, возможно, опять будет наказан. Это будет происходить до тех пор, пока не будет найдена "правильная линия поведения", т. е. пока не поступит поощряющий импульс. Для ясности заметим, что в этом случае нейроны не являются теми первичными образованиями, которые могут принимать только два состояния — "да" или "нет", а представляют некоторую их комбинацию, способную принимать большее число состояний.
Таким образом, состояние рассмотренной схемы зависит от внешней среды. Из артронов можно создать машину, способную к обучению. В начальный момент она, как и сами артроны, не специализирована. Обучение машины происходит с помощью поощряющих и наказывающих импульсов. Во время обучения машины определяются ее задачи, устанавливается критерий адаптации к широко изменяющимся внешним условиям. Цепь обратной связи в процессе обучения "учитывает" ошибки. На основе поощрения или наказания произведенной логической операции устанавливается такой режим работы, который способствует закреплению или подавлению этой операции. Узнаете? Речь идет о перцептроне. Адаптивные элементы перцептрона и есть артрон, а "правильные" связи между ними и эффекторами — это совокупность логических операций, которые не подавляются.
Так в результате "обучения" нейроны становятся специализированными, а вся система — организованной. Изменение внешних условий вызывает переход на другие логические операции — внешние условия программируют машину!

Рис. 7. Нейристор с распределенными параметрами
Разработано также несколько вариантов бионических элементов — нейристоров, представляющих собой активные приборы с распределенными параметрами. Один из возможных вариантов такого устройства показан на рис. 7. Оно представляет собой две изолированные полоски, образующие плоский конденсатор. Одна из обкладок этого конденсатора выполнена из термисторного материала, электрические свойства которого зависят от температуры. Нейристор питается током, который создает равномерный потенциал по всей длине прибора. При подаче возбуждения на определенный участок нейристора он переходит в активное состояние и освобождает энергию, накопленную распределенной емкостью на этом же участке. В результате происходит местный разогрев термистора, что вызывает возбуждение соседнего участка канала. В итоге образуется бегущая волна раздражения, распространяющаяся с постоянной скоростью, подобно тому как это происходит в аксоне — разряд распространяется с постоянной скоростью и без затухания. Прежде чем разряженный участок снова сможет перейти в активное состояние, в нем должно произойти накопление энергии (зарядка конденсатора); иными словами, наступает период восстановления, соответствующий периоду рефрактерности нервного волокна. "Это свойство, — как отмечает академик В. В. Парин, — еще более усиливает сходство нейристора с нервным волокном — две волны, идущие навстречу друг другу, угасают".

Рис. 8. Нейристор, выполненный на дискретных элементах
Разработаны и нейристоры с сосредоточенными параметрами. На рис. 8 приведена одна из возможных схем, выполненная на тиратронах с холодным катодом. Такой нейристор представляет собой цепь соединенных последовательно моностабильных схем. В заторможенном состоянии емкости C1, С2, С3 заряжены и хранят определенный запас энергии. Величины сопротивлений R7, R9, R8 выбираются так, чтобы тиратроны не загорались. Если на поджигающий электрод одного из тиратронов подать "раздражающий" импульс, то он вспыхнет, и время его горения будет определяться временем разряда анодной емкости. При этом на катодном сопротивлении формируется импульс, поступающий на входы соседних тиратронов и поджигающий их. После разряда емкости тиратрон гаснет и на время ее повторного заряда, имитирующее период рефрактерности, нечувствителен к возбуждающим импульсам. Таким образом, поданный на схему импульс начинает распространяться в обе стороны от точки, к которой он был приложен, оставляя после себя зону рефрактерности.
Если нейристор сделать в виде замкнутой линии, то в нем будет длительное время циркулировать возбуждающий импульс. Это можно использовать для запоминания двоичной величины: циркуляция импульса эквивалентна единице, его отсутствие — нулю. Соединяя определенным образом нейристоры, получают логические устройства. Такие устройства отличаются высокой однородностью, присущей самим нейристорам, у которых прибор и соединительные провода представляют одно целое. Соединение нейристоров в сложные сети может выполняться без пассивных соединительных элементов, которые вносили бы в схему неоднородности, что в свою очередь могло бы исказить передаваемый по такой цепи сигнал.
Официально в зарубежной литературе создателем нейристора, т. е. технического устройства, моделирующего определенные свойства нейрона и сочетающего в себе дискретные и непрерывные свойства, считается Крейн. Между тем следует отметить, что в нашей стране физические реализации нейристорной модели были предложены уже давно. Для них характерно использование квантового эффекта, в частности явления так называемого отрицательного резонансного поглощения света в устойчивой среде.
Один из вариантов квантового нейристора представляет собой систему из оптического генератора и световода, заполняемого активным веществом, "усиливающим" свет, с показателем преломления, превышающим показатель преломления окружающей среды. Помимо чрезвычайно высокого быстродействия нейристора (10 — 12 сек), такая система сокрывает широкие возможности компактного выполнения нейристорных сетей и континуальных моделей[25]. При использовании полупроводниковых квантовых генераторов характеристики нейристоров значительно улучшаются.

Рис. 9. Магнитный интегрирующий аналог нейрона
Следует также отметить, что уже несколько лет ведутся разработки нейристоров с использованием тонких пленок. Если в дальнейшем удастся технически просто реализовать нейристор в виде микроминиатюрного устройства на тонких пленках, это, по-видимому, позволит создавать необычайно интересные схемы, но некоторым своим свойствам приближающиеся к живой ткани.

Рис. 10. Прямоугольная петля гистерезиса и процесс накопления информации в сердечнике магнитного аналога нейрона
На рис. 9 схематически изображен магнитный интегрирующий (накапливающий) аналог нейрона (MIND). Основой этого элемента служит магнитный сердечник из феррита с прямоугольной петлей гистерезиса. Внутри сердечника имеется канал, в котором проходит стробирующая обмотка. Сверху канал закрыт шайбой из материала с большой магнитной проницаемостью. На сердечнике имеются обмотки записи и считывания, которые часто совмещаются. Сердечник реагирует только на входные воздействия, способные создавать напряженность магнитного поля, превышающую коэрцитивную силу Нс. Пусть вначале сердечник находится в состоянии, характеризующемся точкой О (рис. 10). С приходом первого "раздражения" он перейдет в состояние 1', а после его окончания — в состояние 1. Следующее "раздражение" переведет сердечник в состояние 2' и т. д. Таким образом, в сердечнике происходит накопление энергии, которая является в данном случае носителем информации.
Считывание осуществляется подачей в нужный момент стробирующего импульса, который вызывает появление поля, перпендикулярного исходному. Происходит изменение вектора результирующего поля в сердечнике, и на выходной обмотке наводится сигнал, величина которого зависит от предыдущего состояния сердечника, т. е. пропорциональна накопленному в результате предшествующих экспериментов ("обучения") магнитному потоку.
Достоинством такого элемента является отсутствие расхода энергии на хранение информации и сохранение состояния сердечника даже при выключении устройства. Кроме того, такие элементы отличаются очень высоким быстродействием.
Работы по созданию бионических элементов, способных выполнять логические функции живых нервных клеток, из года в год принимают все больший и больший размах. Достаточно сказать, что уже сейчас имеется несколько сот моделей искусственных нейронов, которые в большей или меньшей степени отражают свойства реальных нейронов. Некоторые из них, такие, как артроны, нейристоры и др., успешно используются сегодня для усовершенствования технических средств связи, вычислительных и управляющих машин. Предпринимаются попытки разработать (по аналогии с живыми) искусственные нейроны в виде микрокомпонент коллоидных (10-5-10-7 см) и молекулярных размеров (10-7-10-8см). С этой целью исследуются полупроводниковые микроструктуры (двух- и трехмерные схемы из проводящих элементов в изолирующей среде), коллоидные системы с дисперсной сажей, образующие проводящие нити в изолирующих жидких растворах, а также различные микропористые структуры. Изучаются также атомные системы в различных кристаллических и полимерных структурах.
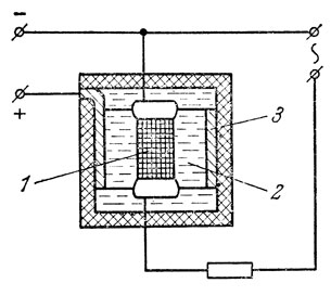
В заключение нашего краткого обзора моделей искусственных нейронов различного типа рассмотрим электрохимический элемент памяти, так называемый мемистор. Один из вариантов мемистора показан на рис. 11. Входное воздействие преобразуется в постоянный ток, цепь которого замыкается через центральный электрод 1, электролит 2 и кольцевой электрод 3. Электролитом обычно служит раствор медного купороса. Прохождение через него постоянного тока вызывает осаждение (или снятие) на электроде 1 слоя меди, что и изменяет его электрическую проводимость. При изменении анодного тока на несколько миллиампер сопротивление мемистора за 10 сек плавно изменяется от 100 до 1 ом. Измеряют это сопротивление на переменном токе, чем исключается влияние сигнала считывания на процессы электролиза, происходящие в элементе. Вследствие малого разброса параметров мемисторов обеспечивается возможность создания большого количества запоминающих уровней. Из таких элементов построены, например, самоприспосабливающиеся нейроны, служащие запоминающими элементами в адаптивных системах с обучением.

Рис. 11. Электрохимический аналог нейрона — мемистор
Итак, сегодня уже не приходится сомневаться, что создание достаточно совершенного, дешевого и миниатюрного аналога нейрона откроет широкие возможности для построения различных обучающихся, самопрограммирующихся, самоорганизующихся, самонастраивающихся, самоприспосабливающихся систем, т. е. систем, обладающих свойством автоматически изменять свои параметры в соответствии с изменением внешних условий. Такие системы, как указывает академик В. А. Трапезников, — "это близкое завтра автоматики и, несомненно, следующая, более высокая ступень прогресса человеческого общества".
Необходимость создания самонастраивающихся и самоорганизующихся систем ныне возникает в самых разнообразных областях техники. Такие системы должны обеспечить наибольшую эффективность работы управляемого объекта в существенно изменяющихся условиях. Это положение распространяется на объекты, действующие непрерывно, периодически и спорадически. Однако наибольшее значение в современных условиях имеет проблема использования самонастраивающихся систем для управления непрерывными процессами. Такими системами можно, например, воспользоваться для полной автоматизации управления рядом химических производств, доменным процессом, прокатом металла, сваркой труб и т. п.
Самонастраивающиеся системы дают возможность не только автоматизировать управление сложными производственными процессами, не только автоматически отыскивать наивыгоднейший режим работы той или иной установки и поддерживать его в дальнейшем. Добавление к самонастраивающейся системе емкой "памяти" позволит создавать самообучающиеся системы, способные определять наивыгоднейший режим не только путем поиска, но и путем ассоциации, т. е. ориентируясь на условия, которые существовали в прошлом.
Оценивая степень эффективности приемов управления, отбрасывая менее эффективные и запоминая более эффективные приемы, такие системы смогут непрерывно совершенствовать их и благодаря этому весьма оперативно и эффективно управлять течением процессов в изменяющихся условиях. Для тех случаев, когда структуру систем нельзя определить заранее, можно представить себе такие системы управления, которые сами будут выбирать необходимые источники информации, способы ее обработки и направление воздействий. Подобные устройства уже будут являться самоорганизующимися системами управления.
Хотя разработка аналогов нейрона началась совсем недавно, уже сейчас можно указать ряд практических задач, которые решаются на основе имитации некоторых свойств естественного нейрона. Так, например, разработан адаптивный, или самоприспосабливающийся, фильтр для выделения на фоне шумов сигналов произвольной формы, когда заранее неизвестно, есть ли сигнал на входе приемной системы. В отличие от обычного фильтра, пропускающего сигналы с заранее известными, определенными признаками (длительность импульсов, частота повторения, отношение сигнал/шум), адаптивный фильтр пропускает сигналы с различными параметрами.
Принцип действия адаптивного фильтра основан на быстрой автоматической подстройке фильтра на форму приходящего сигнала путем непрерывного сравнения сигнала заданной формы с сигналом, поступающим на вход. Наиболее частое совпадение признаков сигналов свидетельствует о полезном сигнале в запоминающем устройстве. После некоторого времени приспособления (порядка нескольких секунд) в памяти формируется точная форма приходящего импульса, и фильтр начинает пропускать все импульсы этой формы. После прекращения сигналов информация о его признаках в запоминающем устройстве стирается, фильтр начинает пропускать только шумы. При появлении на входе фильтра сигнала другой формы весь процесс повторяется.
Другая система — "Кибертрон" — способна самостоятельно выбирать оптимальный подход к решению различных задач. Одной из задач может быть, например, диагностирование заболевания по виду электрокардиограмм. Машине предъявляют ленты с графической записью биотоков сердца больного, и она точно ставит диагнозы. "Кибертрон" можно также использовать для оценки метеорологических данных.
На основе элементов с характеристиками нейристоров инженеры создали устройство, воспроизводящее процессы запоминания, опознавания и заучивания. Подобная модель нашла применение в машине В. Тейлора, которая после экспонирования различных предметов, например букв, узнавала их при повторной демонстрации. На элементах MIND собран прибор, успешно выполняющий логическую функцию опознавания многочисленных вариантов входных рисунков, составленных из нескольких информационных сигналов.
По заданию ВВС США ряд американских фирм ведет разработки так называемых "познающих" машин на артронах. В электронной машине, созданной одной американской фирмой, пути прохождения сигнала между воспринимающими чувствительными элементами и артронами, а также между отдельными артронами изменяются по случайному закону до тех пор, пока не будут выбраны оптимальные пути. Когда машина приступает к решению новой задачи, она, несмотря на предыдущее "обучение", возвращается в первоначальное состояние, характеризующееся случайными путями прохождения сигнала. Возможность "обучения" обеспечивается наличием четырех быстродействующих переключателей в соединительных цепях логических схем каждого артрона с его выходом.
Считают, что подобные машины могут быть использованы для следующих целей:
улучшение методов автоматического предсказания погоды;
автоматическое управление беспилотными космическими летательными аппаратами для исследования планет;
создание быстродействующих командных машин для штабов войсковых подразделений, что позволит вырабатывать решения при подготовке и проведении различных операций;
управление оборудованием, работающим в опасных условиях.
В литературе описана самоприспосабливающаяся система управления полетом реактивных самолетов. Система анализирует свою работу путем сравнения реакции самолета с решением электронного устройства, и разностный сигнал используется для воздействия на органы управления самолетом. Автоматическое управление осуществляется при изменившихся окружающих условиях (плотности и скорости воздуха) без измерения этих величин. Система не требует предварительного программирования условий полета с учетом летных характеристик самолета.
Считают, что адаптивные, самоприспосабливающиеся автопилоты, которые обладают свойством непрерывно проверять положение в пространстве летательного аппарата и корректировать любые отклонения от заданного положения при изменяющихся условиях полета, можно с успехом использовать также на ракетах и даже на космических кораблях.
Итак, начало положено. Созданы машины, воспроизводящие некоторые функции нервной системы человека. Один из создателей теории автоматического управления Уильям Эшби сказал по этому поводу: "С тех пор, как был разработан первый перцептрон "Марк-1", мы знаем, что мозг и вычислительные машины представляют собой просто различные варианты в принципе одинаковых машин". Было время, когда создатель перцептрона, доктор Розенблат, утверждал, что его детище — это не просто машина для распознавания образов, а — ни много, ни мало — модель мозга.
Однако это утверждение встретило весьма серьезные возражения.
Дело здесь прежде всего в количественных отличиях. Перцептрон моделирует — и весьма несовершенно — только функции зрительного анализатора человека. А зрение — только одно из пяти его чувств. Далее. Число ассоциативных ячеек перцептрона, которое определяет его "умственные способности", равнялось в первой модели всего 512. Оно столь ограничено прежде всего вследствие трудностей технического порядка и, в частности, из-за чрезвычайной сложности монтажной схемы; в самом деле, от каждой из 400 рецепторных ячеек перцептрона отходит 40 выходных проводников, подключаемых в случайном порядке к 512 ассоциативным ячейкам, каждая из которых имеет от 10 до 100 выходов.
А между тем число нейронов в мозгу человека порядка 10 миллиардов. Если распространить тезис Эшби на обычные цифровые вычислительные машины, то и тогда разница между числом их переключающих элементов и числом нейронов в центральной нервной системе оказывается весьма существенной: самые большие из современных вычислительных машин имеют сотни тысяч таких элементов.
По ряду своих параметров мозг представляет собой настолько высокосовершенную "конструкцию", что, как полагают ученые, вряд ли удастся искусственно воспроизвести ее в течение ближайших 50 лет. Очень выпукло выразил эту мысль английский физик Дж. Томсон в своей книге "Предвидимое будущее": "Тот сложный инструмент, которым все мы обладаем, или, если хотите, каковым мы все являемся, с его 10 миллиардами рабочих деталей и бесчисленным множеством возможных связей, неизмеримо превосходит все то, что мы когда-либо, по-видимому, сумеем создать, и он так непохож на организованную материю, которую мы, физики, изучаем!"
Одна из важнейших особенностей мозга — его способность надежно работать с большими резервами и с ничтожно малой затратой энергии, обладая фантастически малыми габаритами и ничтожным весом. Так, например, мозг Анатоля Франса весил 1017 г, А. П. Бородина — 1325 г, Д. И. Менделеева — 1571 г, И. П. Павлова — 1653 г, И. С. Тургенева — 2012 г. В среднем мозг нормального человека весит 1375 г и имеет объем от 1,5 до 2 дм3. Общее рассеяние энергии в мозгу достигает примерно 10 вт, т. е. около 10-9вт на нейрон. По некоторым литературным данным, из сравнения линейных размеров, объемов и рассеяния энергии вытекает, что естественные элементы мозга эффективнее современных ЭЦВМ примерно в 108 — 109 раз!

Рис. 12. Если бы мы взяли самые маленькие из существующих ныне простейших реле диаметром в 1 см, чтобы составить из них искусственный мозг, то их цепочка дважды протянется от Земли до Луны
Говоря о технических характеристиках мозга, трудно обойтись без тривиальных сравнений. Если бы мы взяли самые маленькие из существующих ныне простейших реле диаметром 1 см в количестве 17 миллиардов штук (по числу нейронов в человеческом мозгу), то их цепочка протянулась бы от Земли до Луны в два ряда (рис. 12). Теперь представьте себе, что мы захотели бы построить универсальную вычислительную систему на обычных электронных лампах с таким же количеством элементов, какое имеет мозг. Подобное устройство могло бы разместиться примерно в таком высотном здании, как Московский государственный университет, весило бы более миллиона тонн, и для его питания была бы необходима энергия десяти Братских ГЭС (!), а для охлаждения — река Ниагара. При использовании в качестве элементов релейного действия триггеров на полупроводниках объемом 1 — 2 см3 каждый наша вычислительная машина после осуществления всех разводок и соединений не уступала бы по размерам современному большому жилому дому и потребовала бы энергии нескольких Днепрогэсов! А сколько времени потребовалось бы только для изготовления такого количества элементов? Если предположить, что изготовление модели нейрона длится 1 сек (пока мы такими возможностями еще не располагаем) и это производство начато в 1968 г., то последний аналог нейрона из гигантской партии в 17 миллиардов штук будет сдан в отдел технического контроля в конце 2393 г. Время, которое потребуется на монтаж и настройку такой электронной машины, вообще никакой оценке не поддается.
За последние 25 — 30 лет сложность электронных устройств увеличилась примерно в 1000 раз, причем конструкторы электронных систем продолжают разрабатывать устройства все возрастающей сложности, требующие все большего и большего количества деталей. Обсуждая недавно проблему использования вычислительной техники для целей проектирования цифровых систем, ученые отметили, что "...сложность цифровых систем будущего приводит к выводу, что такая методика проектирования является фактической необходимостью. В настоящее время ведется разработка многих систем, содержащих сотни, тысячи и даже миллионы активных элементов". Само собой разумеется, что вместе с неограниченным ростом числа элементов в электронных системах обеспечение эксплуатационной надежности последних является ныне, выражаясь словами академика А. И. Берга, "проблемой № 1". Достаточно выйти из строя какой-либо одной детали — и работа электронной системы нарушается, а то и вовсе прекращается на длительное время, так как только на поиски неисправности приходится тратить много часов. Ведь был же такой случай на Всемирной выставке в Брюсселе. Одной электронной машине поручили распределение мест в гостиницах. Из-за технической неисправности машина выдавала нелепые рекомендации — направляла гостей в занятые уже номера. В итоге произошла крупная неприятность: 50 тысяч туристов на одну ночь остались без крова...
Этот случай на первый взгляд может показаться анекдотичным, но за ненадежность электронной аппаратуры в наше время нередко приходится расплачиваться не только отсутствием крова на ночь или потерей вечернего развлечения (в случае выхода телевизора из строя), но и более дорогой ценой — колоссальными экономическими потерями вследствие простоев автоматических линий и цехов, нарушения производственных процессов целых предприятий, где "командиром" является электрон, а иногда и человеческими жизнями. И еще надо иметь в виду следующее. Надежность электронной аппаратуры — это не только обеспечение бесперебойной работы, но еще и гарантия высокой точности ее работы. Например, кремний для полупроводниковых фотоэлементов должен обладать неслыханной чистотой: допустимо не более одного атома посторонней примеси на каждые 10 миллиардов атомов полупроводника. Аппаратура, которая контролирует чистоту кремния, должна, естественно, отличаться необыкновенной точностью работы, а значит, и исключительной надежностью. Надежность, т. е. вероятность безотказной работы в течение заданного отрезка времени в определенных эксплуатационных условиях, — важнейшая характеристика современной сложной электронной аппаратуры. Надежность электронной системы равна произведению надежностей всех входящих в нее элементов. Поэтому, если предположить, что вероятность безотказной работы искусственного нейрона в течение 1000 час составляет 0,999, то надежность гипотетического искусственного мозга, состоящего из 1010 таких нейронов, составит 0,99910 — ничтожно малое число, которое следует интерпретировать таким образом, что машина не проработает и секунды после первого включения.
Еще пример. Если в системе управления ракетой имеется тысяча электронных компонент и надежность каждой равняется 0,95, то общая надежность системы выразится десятичной дробью, в которой перед первой значащей цифрой после запятой будет стоять 21 нуль! Такая надежность соответствует следующей ситуации: если ежесекундно запускается миллион ракет, то в течение 300 миллионов лет лишь один запуск окажется вполне удачным. В остальных случаях на той или иной стадии полета в ракете возникнет неисправность.
Между тем современные ракеты насчитывают гораздо большее число деталей, чем мы предположили в нашем примере. В частности, система управления американского межконтинентального снаряда "Атлас" состоит более чем из 300 000 элементов. Если принять, что в среднем при каждом запуске ракеты выходит из строя 1 деталь из 100 000, а это, по американским данным, близко к действительному положению дел, то из 100 запусков лишь около 5 окажутся удачными. В остальных случаях в газетах появятся сообщения: "Вчера на мысе Кеннеди произведен очередной запуск ракеты... Из-за неисправностей в системе управления... по команде с Земли ракета была взорвана в воздухе".
Причин к выходу из строя той или иной детали в современной электронной аппаратуре довольно много: здесь и широкий интервал изменения температур и давления, недолговечность многих компонент, удары, вибрации, пыль, влажность, грибки, радиация и т. д. Другое дело — человеческий мозг. Хотя его отдельные элементы, по-видимому, не более надежны, чем элементы любого электронного устройства, мозг человека способен функционировать непрерывно и бесперебойно в течение длительного времени — на протяжении всей жизни человека в самых разнообразных условиях: в жару и в стужу, в кромешной тьме и при ослепительном сиянии Солнца, в полном одиночестве и в контакте с тысячью умов. Его подвергают наркозу, но человек не погибает от расстройства дыхания. Большие дозы алкоголя опьяняют мозг, но и в таком состоянии он помогает своему "хозяину" найти дорогу домой. Нередко мозг претерпевает механические, термические, биологические, лучевые травмы, кровоизлияния, инфекционные процессы разрушают те или иные участки центральной нервной системы, гибнут тысячи нейронов, а мозг продолжает жить и творить. Так, например, в недавно изданной у нас книге Д. Вулдриджа "Механизмы мозга" описан поразительный случай, происшедший в сентябре 1848 г. со старшим мастером бригады дорожников-строителей Финеасом Гейджем.
"По-видимому, — пишет Вулдридж, — Гейдж заложил пороховой заряд в отверстие, пробитое в скале, подготовляя очередной взрыв. После этого его помощник должен был, как обычно, засыпать порох сверху песком.
По какой-то причине это не было сделано, а Финеас Гейдж пренебрег проверкой выполнения этой операции. Вместо этого, полагая, что порох прикрыт песком, он опустил в отверстие тяжелую железную трамбовку, не придерживая ее. Результат был катастрофическим: железная палка, ударившись о скалу, высекла искру, воспламенила порох и устремилась к небесам. На своем пути эта палка длиной больше метра и толщиной 3 сантиметра насквозь пронзила головной мозг Гейджа, войдя через его левую щеку и выйдя около темени.
В течение часа Гейдж находился в оглушенном состоянии, после чего он смог с помощью сопровождавших его людей пойти к хирургу и по дороге спокойно и невозмутимо рассуждал о дырке в своей голове. В конце концов он оправился от инфекции, развившейся в ране, и прожил еще 12 лет. Гейдж кончил свою жизнь в Сан-Франциско, где он умер при обстоятельствах, потребовавших вскрытия тела. Несомненно, что только благодаря этому случайному обстоятельству ученые-медики смогли проверить эту историю путем прямого исследования поврежденного мозга. Выяснилось, что не только левая лобная доля подверглась тяжелому повреждению, но травма распространилась и на правую лобную долю...
Как ни поразителен был счастливый исход столь внушительной травмы, не менее поразительными оказались ее последствия. Поражало в них именно отсутствие резких изменений психики. Гейдж по-прежнему оставался дееспособной личностью: у него не обнаруживалось никакой потери памяти, и он был в состоянии заниматься своим делом".
Череп Гейджа и железная палка ныне экспонируются в Гарвардском университете как символ исключительной надежности человеческого мозга.
Возможно, описанный случай, происшедший с Фине-асом Гейджем, является в истории медицины беспрецедентным. Но если вы поговорите с любым нейрохирургом, то он расскажет вам о десятках и сотнях других самых невероятных, порой фантастических случаях, когда больным вместе с опухолями, осколками мин и снарядов удаляли значительную часть мозга и они по выздоровлении продолжали плодотворно работать, причем в сфере интеллектуального труда. И в этом нет ничего удивительного. Надежность — ключевая, острейшая проблема современной радиоэлектроники и кибернетики — блестяще разрешена живой природой в устройстве головного мозга и нервной системы человека. И не только человека, но и животных. Высочайшая надежность биологических систем возникла в результате длительного эволюционного процесса в условиях изменчивой внешней среды. В жестокой конкурентной борьбе за существование, длившейся сотни и тысячи миллионов лет, живые организмы и, в частности, мозг обрели ту надежность, которой мы не перестаем сегодня восхищаться.
В прошлом феноменальную надежность мозга некоторые ученые пытались объяснить его способностью регенерировать (восстанавливать) поврежденные или погибшие нервные клетки. Когда же было установлено, что нейроны не восстанавливаются, возникло другое предположение. Стали считать, что долговечность и надежность нашей сложнейшей "кибернетической машины" обеспечивается ценой многократного дублирования и резервирования[26] ее нервных клеток подобно тому, как это делается при конструировании современных электронных систем. Однако расчеты показали, что тогда мозг человека был бы в десятки тысяч раз больше, чем на самом деле.
Каковы же принципы, заложенные в схему регулирования жизненных процессов организма и обеспечивающие столь высокую надежность работы мозга?
Один из них — охранительное "запредельное" торможение. Реакция организма на сигнал раздражителя тем сильнее, чем сильнее сигнал. Но до определенного порога. Выше его реакция ослабевает, а затем прекращается совсем. Организм охраняет себя от чрезмерного возбуждения нервных клеток. Ученые поставили такой опыт. У собаки создали рефлекс на звонок. С увеличением силы звука увеличивалось слюновыделение. Но когда звук становился сильнее определенной величины, выделение слюны уменьшалось, а затем и совсем прекращалось. Это объясняется тем, что раздражитель стал непосильным для нервной системы животного, и тогда сработала система запредельного торможения, сделав возможным восстановление в дальнейшем нормальной работы нервных клеток. Так природа отражает нападение слишком грозного противника. Особенно чутко и быстро реагирует на опасное усиление раздражителя ослабленный, больной организм.
Поскольку многочисленными экспериментами было установлено, что торможение наступало каждый раз после того, как клетки были возбуждены, ученые пришли к заключению, что переход в заторможенное состояние нервных клеток следует рассматривать как активное вмешательство организма в деятельность своих элементов с целью перевода их в нерабочее состояние для восстановления пониженной работоспособности. Помимо такого "профилактического ремонта на ходу" клетки ежесуточно "ремонтируются" более основательно: сон позволяет хорошо отдохнуть всей центральной нервной системе. Поэтому наш мозг с самых ранних лет и до смертного часа действует одинаково ясно и энергично.
Другим важным фактором, обеспечивающим высокую надежность головного мозга, является способность нервных центров к быстрой функциональной перестройке и обучению. Провели такой опыт. Собаке под наркозом пришили сухожилия мышц-сгибателей к разгибателям, а сухожилия разгибателей — к сгибателям. После операции, когда собаке нужно было согнуть лапу, она ее... разгибала. Но это продолжалось недолго. Время — великий целитель, а способность нервных клеток к переучиванию огромна. Произошла перестройка нервных центров, и животное научилось правильно владеть своими конечностями.
Третье "конструктивное ухищрение", предпринятое природой в целях обеспечения высоконадежной работы головного мозга, заключается в целесообразном сочетании самоуправления с центральной регуляцией. Нож хирурга и эксперименты физиологов позволили установить, что система регулирования жизненных функций организма "многоэтажна". Высший этаж — кора больших полушарий, низший — система саморегуляции отдельных органов. Животное, лишенное коры головного мозга, утрачивает способность к выработке условных рефлексов. Но оно живет, двигается, способно поглощать пищу, которую ему положили в рот. Оно "управляется" деятельностью двигательных центров, расположенных в отделах мозга, лежащих под корой. Если перерезать нервы, идущие к мышцам, управление нарушится. Но сами мышцы еще могут сокращаться под действием электрического тока или химических раздражителей. Более того, у животных есть "автоматические механизмы", например сердце. Вынутое из организма, оно может еще очень долго работать — сокращаться (если пустить по его сосудам обогащенную кислородом кровь). Такое построение нервной системы (сочетание относительной самостоятельности низших регуляторов с их подчинением высшим мозговым центрам) служит одним из важнейших условий надежной работы мозга.
Но и это еще не все.
Вездесущая сеть нервов, помимо виртуозной передачи импульсов-приказов, умеет еще и другое, не доступное пока никаким электронным системам: она сама, без всякой помощи извне, налаживает связи с подчиненными органами. Любой нерв прокладывает себе путь среди множества клеток и волокон, уверенно пробивается к цели среди растущих, непрерывно перемещающихся тканей зародыша. Просто диву даешься, как удается ему опознать "своих", как умудряется какая-нибудь нейронная ветка, затерянная среди тысяч таких же волоконец, всегда отыскивать один и тот же нервный ствол и, вплетаясь в него, доставлять сигнал в заданный участок мозга.
Один дотошный экспериментатор решил проверить, сохранится ли это удивительное чутье, самоопознавание растущих нейронов, если изменить обстановку, пересадить, скажем, кожу с живота головастика на спину. Найдет ли кожный нерв дорогу к своим, определит ли среди множества стволов тот единственный, что соединяет его с мозгом?
К тому времени, когда головастик стал лягушкой, пересаженная кожа окончательно прижилась на спине. Даже опытный микроскопист, наверное, с трудом определил бы здесь кусочек, срезанный с живота. Зато лягушечьи нервы быстро разобрались в подмене и, не признав ее законной, соединились, как обычно. Стоило пощекотать лягушке спину, она тут же принималась чесать задней лапкой живот. Видно, чувствительный нейрон не дал себя обмануть. Попав вместе с кожей на спину, он все-таки отыскал "своих", вплелся в нерв, несущий ощущения с живота. И хотя кусочек кожи оказался на новом месте, вдали от постоянной "прописки", его сигналы шли в мозг обычным путем.
В этом быстром, безошибочном объединении сходных нейронов, в точном скреплении их в заданных местах заключен один из важнейших секретов высокой надежности монтажа элементов сложнейшей из всех систем организма — центральной нервной системы.
Итак, одна из главнейших задач бионики — изучение и перенесение в технику важнейших принципов, используемых природой для обеспечения высокой надежности функционирования живых организмов. "Пожалуй, самое главное, что должна перенять радиоэлектроника у живой природы, — пишет член-корреспондент АН СССР В. И. Сифоров, — это высокая надежность. Ведь если вы поцарапали палец, то организм сам производит необходимый "ремонт". Кровь свертывается, кровотечение немедленно останавливается, и через некоторое время царапина заживает. Сейчас мысль ученых и инженеров направлена на то, чтобы создать нечто подобное и в технических устройствах. Пока "самозалечивание" электронных машин в основном сводится к автоматическому включению резервных блоков, однако в будущем, по-видимому, появятся системы, которые будут находить неисправную деталь и заменять ее новой".
Из известных нам природных принципов, обеспечивающих надежность центральной нервной системы и живого организма в целом, сегодня наибольший интерес для теории и практики надежности электронной техники представляют методы многоступенчатого резервирования, методы автоматического изменения структуры и методы автоматического изменения (загрубления) параметров отдельных частей системы при неблагоприятных условиях. Но как все это практически осуществить с наибольшей эффективностью для радиоэлектронных и кибернетических устройств, как добиться стопроцентной надежности в работе? — вот вопрос вопросов!
Ряд интересных соображений на сей счет высказал известный советский физиолог член-корреспондент АН СССР 3. А. Асратян. В основном они сводятся к следующему:
"Во время процессов торможения нервные клетки восстанавливают свою активность, подготавливаются к дальнейшей деятельности. В сложных автоматических системах не все элементы одновременно участвуют в работе. По-видимому, целесообразно иметь в таких системах специальный механизм, который, не участвуя в основной деятельности, использовал бы вынужденные простои для проверки этих элементов, для их профилактического ремонта...
Запасные элементы нервной системы во многом обеспечивают ее надежную работу. Они не лежат на складе, как запасные детали машин, а в любую минуту готовы встать в строй взамен пораженных. И неважно, что многие функции основных элементов им не под силу. Главное — организм продолжает жить, создается возможность для возвращения в строй поврежденных участков.
Конструкторы должны научиться использовать этот принцип при создании сложных автоматов. Ведь даже самые совершенные из них оказываются сейчас беспомощными при поломке второстепенной детали. Но как конкретно воплотить это пожелание в жизнь? Принципиально так. Создадим машину из элементов трех типов: постоянно действующих элементов, которые обеспечивали бы быструю и точную работу машины, таких же элементов, но работающих при выходе из строя первых, и элементов еще одного типа, работающих не так быстро и не так точно, но поддерживающих бесперебойность работы системы до тех пор, пока не будут заменены или исправлены основные.
Не этот ли принцип динамической перестройки, перестройки "на ходу" даст возможность создавать в будущем машины, сопоставимые по своей надежности с мозгом?
И вот что еще следовало бы перенять у нервной системы. Отдельные узлы машины должны быть достаточно самостоятельными, но относительная самостоятельность узлов должна объединяться и подчиняться высшим регуляторам системы. При этих условиях подчиненные регуляторы будут работать даже при выходе из строя высших".
Как видите, сегодня физиолог дает инженерам, творцам электронных систем, замечательные идеи и даже рекомендует готовые методы повышения надежности вычислительных и управляющих машин. Союз физиологии и электроники, осуществляемый бионикой, с каждым днем делается все более плодотворным. Ярким примером тому служит успешное изучение и использование выработанных природой методов достижения высокой структурной надежности. Хотя здесь сделаны лишь первые шаги, но они привели к созданию "триплетов" — строенных элементов, действующих по методу "голосования", при котором характер выходного сигнала (0 или 1) соответствует характеру сигналов на большинстве выходов. При таком методе резервирования система сохраняет работоспособность при выходе из строя части логических элементов. . Допустим, что мы имеем систему, в которой только три логических элемента; тогда для ее выхода из строя необходимо, чтобы отказали по крайней мере два из трех элементов. Этот же принцип можно распространить на любое число нечетных логических элементов. Если в системе используется, например, пять логических элементов, включенных параллельно, то специальное устройство, которое называется мажоритарным элементом[27] и выполняет роль "судьи", будет выдавать решение по сигналам трех или большего числа логических элементов. И если даже откажут два из пяти элементов, устройство все же будет продолжать работать. В общем случае включается 2n + 1 логический элемент параллельно, а мажоритарный элемент принимает решение по сигналам не менее чем п + 1 элемента. Чтобы такая система отказала, надо, чтобы отказал по крайней мере n + 1 логический элемент.
Этот принцип "голосования по большинству" чрезвычайно ценен в тех случаях, когда в логических узлах системы могут возникать какие-то неисправности, искажающие информацию (узел работает, но работает неправильно). Так, например, к качеству передачи срочных и важных цифровых данных, поступающих от электронных вычислительных систем, предъявляются очень жесткие требования. Достаточно сказать, что в этой информации допускается не более чем 1 ошибочный знак на 10 миллионов переданных, т. е. вероятность ошибки при передаче должна быть практически сведена к нулю. Мажоритарный принцип резервирования открывает широкие возможности для создания самоприспосабливающихся устройств. В этих устройствах после отказа одного логического узла происходит самовосстановление системы, при котором отдельные логические узлы принимают на себя функции вышедшего из строя и их действие оптимизируется. Другими словами, система самоприспосабливается к возникающим в ней отказам подобно тому, как это происходит в живых организмах.
В настоящее время разработан ряд схем резервирования с соединениями, очень похожими на соединения нейронов. В них для обеспечения такой же надежности, как у обычных схем, требуется в 200 раз (!) меньше компонент, причем надежность последних может быть в 10 раз меньше! По литературным данным, одна из экспериментальных моделей, построенная по принципу, напоминающему принцип соединения нейронов в живых организмах, надежно работала при отказе 50% составляющих ее компонент.
Помимо проблемы надежности в радиоэлектронной промышленности имеется еще ряд жизненно важных задач, ждущих своего разрешения. В основном они сводятся к необходимости резкого увеличения выпуска и снижения себестоимости радиоэлектронных систем, уменьшения их габаритов, веса и потребляемой мощности. Говоря языком цифр, ученым и инженерам предстоит в ближайшие 15 — 20 лет увеличить объем производства радиоэлектронных устройств не менее чем в 6 раз по сравнению с достигнутым ныне уровнем, уменьшить их размеры, вес и потребление энергии в 100 — 1000 раз!
На человека, не посвященного в современные проблемы радиоэлектроники, приведенные цифры могут произвести ошеломляющее впечатление. Зачем, например, увеличивать выпуск радиоэлектронной аппаратуры в 6 раз, когда и так наша радиоэлектронная промышленность развивается вдвое быстрее, чем все промышленное производство страны? Или зачем уменьшать габариты, вес и потребляемую мощность радиоэлектронных устройств в 100-1000 раз, когда радиоприемники уже уменьшились до карманных размеров и потребляют мизерное количество электроэнергии? Попытаемся кратко ответить на эти вопросы.
Расчеты показывают, что при сохранении существующего уровня технической оснащенности сферы планирования, управления и учета в 1980 г. потребовалось бы занять в этой сфере заметную часть взрослого населения Советского Союза. А если бы мы сохранили современный технический уровень в сфере производства, то в 1980 г. нам пришлось бы привлечь к работе во всех отраслях народного хозяйства не менее 400 миллионов рабочих. Поскольку это практически неосуществимо, надо искать иные пути резкого повышения производительности труда. Огромными потенциальными возможностями в решении этой важнейшей государственной задачи располагает электронная техника. Поэтому вполне естественно, что объем выпуска радиоэлектронной аппаратуры должен из года в год резко увеличиваться.
Теперь о проблеме уменьшения габаритов и веса электронной аппаратуры.
Многие радиоэлектронные устройства, которые можно было бы с большим успехом применять в народном хозяйстве, в оборонной технике, не изготовляются только потому, что они очень громоздки, не вписываются в отводимые для них места и очень тяжелы. Лучше всего это знают конструкторы всевозможных летательных аппаратов — самолетов, искусственных спутников, космических кораблей. Известно ли вам, например, сколько насчитывается различных деталей в радиоэлектронной аппаратуре, установленной на современном тяжелом самолете? Более 150 тысяч штук! На рис. 13 показан рост числа деталей, используемых в электронных системах американских самолетов-бомбардировщиков, за 25 лет. В конце второй мировой войны на самолетах В-17 и В-29 применялась аппаратура, состоявшая из 1000 — 2000 электронных деталей. Ныне на самолетах В-70 число их возросло до 150 000! Для того чтобы поднять в воздух 1 кг самолетного оборудования, нужно на 10 — 20 кг увеличить взлетный вес самолета. Еще хуже выглядит это соотношение для космических ракет. По американским Данным, отношение веса системы разгона космического корабля к полезному грузу, запускаемому в космос, составляет 1000 : 1!

Рис. 13. Рост числа радиодеталей в авиационной радиоэлектронной технике по годам
Таким образом, чем легче и компактнее электронные устройства, устанавливаемые на искусственных спутниках, тем больше полезной информации можно получить из космоса, не увеличивая мощности ракетных двигателей. Не менее важно и другое. От уменьшения размеров электронной аппаратуры в большой степени зависит также повышение ее надежности, ибо хорошо известно, что малогабаритные конструкции значительно лучше противостоят ударной и вибрационной нагрузкам, чем крупногабаритные. Все дело в том, что силы, создаваемые ускорением, пропорциональны массе того тела, к которому они приложены. А масса в свою очередь пропорциональна кубу среднего размера тела. При уменьшении размера электронного устройства его масса уменьшается очень существенно и система становится более устойчивой к силам, возникающим при ускорениях.
Уменьшить габариты и вес современной электронной аппаратуры в 100 — 1000 раз — дело, конечно, нелегкое. Но добиться этого ученые и инженеры обязаны. Иначе ею нельзя будет оборудовать космические корабли для полетов человека на Луну, Марс и Венеру. Ведь на таких кораблях будет очень много электронной аппаратуры: установки для связи с Землей, локаторы, счетно-решающие устройства для вычисления траектории полета, установки, поддерживающие нормальные условия для жизнедеятельности экипажей, и т. д.
Иначе сотни тысяч вычислительных устройств, которые будут созданы в течение ближайшего десятилетия, потребуют нерационально больших помещений.
Иначе электроника не сможет занять подобающее ей место в нашей будущей жизни: из-за громоздкости электронной аппаратуры она окажется неприемлемой на производстве, на транспорте, в медицине, в быту.
Не менее остро стоит сейчас вопрос о резком снижении мощности, потребляемой радиоэлектронной аппаратурой. Важность этой проблемы видна хотя бы из того, что для питания выпускаемых ежегодно в нашей стране телевизоров и радиоприемников нам требуется каждый год три новых Днепрогэса! И еще пример. Дальнейшее изучение космоса требует запуска искусственных спутников, которые вращались бы вокруг Земли в течение 5 — 10 лет. Для обеспечения питанием электронной аппаратуры спутников в течение столь длительного времени необходимо, чтобы потребляемая ею энергия исчислялась не ваттами, а милливаттами.
По какому же пути следует идти, чтобы достигнуть резкого увеличения объема производства, снижения стоимости, уменьшения габаритов, веса и потребляемой мощности электронной техники? Магистральной дорогой комплексного решения всех этих задач служит микроминиатюризация радиоэлектронной аппаратуры.
Микроминиатюризация — принципиально новый метод разработки и изготовления радиоэлектронных систем. В ее основе лежит модульная система конструирования, заимствованная из отечественной строительной техники. В строительстве этот метод конструирования заключается в выборе и взаимоувязке размеров зданий и их элементов (ширина и длина помещений, высота этажей, высота и ширина оконных и дверных проемов и т. д.), а также размеров выпускаемых промышленностью строительных деталей, материалов и оборудования зданий. В соответствии с этим же методом выбираются и размеры мебели. Основным требованием модульного метода является кратность всех номинальных размеров регламентированной единице измерения, называемой модулем (в СССР в строительстве принят модуль, равный 100 мм). Главная цель, которую преследует модульная система, — это содействие типизации и стандартизации в проектировании и производстве, способствующим механизации и автоматизации, снижению стоимости и сокращению сроков строительства.
Радиоэлектронная аппаратура также может конструироваться в виде модулей, т. е. узлов стандартных размеров, кратных определенной единице измерения. Модули могут состоять из различных радиодеталей и выполнять различные рабочие функции (генератора, усилителя, триггера и т. д.). В зависимости от характера применения электронной аппаратуры, отводимого для нее пространства на объекте установки и от окружающих условий работы модульные функциональные узлы могут иметь различную форму, но для конкретной аппаратуры узлы изготовляются по однотипной конструкции.
Широкому использованию принципов модульного конструирования в радиоэлектронике в большой степени способствовало появление полупроводников и освоение техники печатного монтажа. Применение модульного конструирования, использование миниатюрных полупроводниковых приборов, разработка новых технологических приемов монтажа позволили резко, в 5 — 10 раз, повысить плотность "упаковки" радиодеталей в функциональных узлах электронной аппаратуры. Там, где еще недавно радиотехника удовлетворялась размещением 0,2 — 0,3 детали в 1 см? объема и считала это пределом плотности монтажа, стала возможной установка 1,5 — 3 деталей. Самое же главное заключается в том, что новый метод конструирования функциональных узлов и печатный монтаж впервые позволили механизировать и частично автоматизировать сборку радиоэлектронных устройств, уменьшив ее трудоемкость по сравнению с традиционным навесным монтажом в 10 и более раз! Таким образом, метод модульного конструирования, создание полупроводниковых приборов и использование печатного монтажа положили начало миниатюризации, механизации и автоматизации производства радиоэлектронных устройств.
Около десяти лет назад у слова "модуль" появилась приставка "микро". Микромодуль — это функциональный узел, элементом которого является стандартная плоская керамическая пластинка — галета размером 9,6 X 9,6 X 0,25 мм. На такой пластинке можно размещать различные радиодетали, например: четыре сопротивления (до 1 Мом), конденсаторы, в том числе электролитические, кварцы для стабилизации частот (начиная с 7 Мгц), катушки индуктивности (от долей микрогенри до 10 Мгн), транзисторы, диоды и другие полупроводниковые приборы (рабочая часть их размещается между двумя тонкими галетами), электромеханические фильтры, а также другие детали — подстроечные конденсаторы и т. д. Производство микроэлементов, сборка их в пакеты (их спаивают проволочками, образуя подобие "этажерки"), настройка и последующая герметизация (их заливают "намертво" специальным, очень прочным составом) осуществляются машинами-автоматами. Высота микромодулей, собираемых на квадратных пластинках, может быть различной и зависит от схемы. Максимальная рассеиваемая мощность составляет 1 — 2 вт на каждый микромодуль. Два-три таких кубика-микромодуля размером в 1 — 2 см3, установленные на общей плате из диэлектрика и электрически соединенные друг с другом печатными проводниками, образуют радиоприемник, передатчик, телевизор и другие радиоэлектронные устройства.
Электронные системы в микромодульном исполнении обладают хорошей механической прочностью, они легки и компактны. В каждом кубическом сантиметре микромодуля помещается от 15 до 25 радиоэлементов. Это значит, что в таком функциональном узле можно достичь почти в 10 раз большей плотности монтажа, чем в печатных схемах, и примерно в 100 раз превысить плотность классического, навесного, объемного монтажа обычных радиодеталей. Наглядное представление о том, насколько микромодули позволяют уменьшить размеры и вес радиоэлектронной аппаратуры, могут дать следующие примеры. В чехословацком Научно-исследовательском институте техники связи им. А. С. Попова создан малогабаритный чувствительный радиовещательный супергетеродинный приемник. Он состоит из 7 микромодулей и имеет размеры 92 X 72 X 32 мм, которые определяются в основном габаритами громкоговорителя, переменного конденсатора и четырех миниатюрных батарей. Его выходная мощность равна 100 мвт. Недавно разработан образец радиоприемника на 5 микромодулях (каждый объемом 1,64 см3). По своим размерам он не больше авторучки, весит 62 г, а по качеству не хуже обычного лампового приемника среднего класса, который мы с трудом поднимаем двумя руками. Объем индикатора навигационного устройства, выполненного на микромодулях, в 100 раз меньше, чем при использовании ламп, а потребление мощности — в 6 раз меньше. Американская аппаратура для высокочастотной телефонии AN/TCC13, собранная на электронных лампах с применением объемного монтажа, весила 540 кг и занимала объем 1100 дм3. Новая аппаратура на транзисторах AN/TCC26, имевшая такие же параметры, весила всего 31 кг и имела объем 68,5 дм3. Такая же аппаратура на микромодулях имеет вес 1,35 кг и объем 1,93 дм3. И последний пример. Электронное устройство размером в комнату в микромодульном исполнении занимает объем портативной пишущей машинки.
А какова надежность микромодулей? Инженеры могут гордиться: у современных микромодульных радиоэлектронных систем она в 60 раз выше, чем у ламповых устройств, и в 5 раз выше надежности приборов, собранных на полупроводниках. Практически это означает, что микромодульная радиоэлектронная аппаратура может безотказно проработать десяток лет, а затем раньше, чем она выйдет из строя, ее спишут, как морально устаревшую.
Микромодули получили широкое применение в устройствах для высокочастотной телефонии, а также в различных устройствах импульсной техники: в вычислительных машинах, коммутаторах и т. п. Особенно выгодно их применение в импульсной технике, например в радиолокационном оборудовании. Здесь в основном используются элементы, которым можно придать практически плоскую форму (сопротивления, конденсаторы, транзисторы, диоды), и отпадает необходимость в применении таких "объемных" деталей, как катушки индуктивности. При этом степень механизации и автоматизации производства аппаратуры резко повышается.
Но не успели создатели микромодулей закрепить за собой почетные титулы основоположников и зачинателей микроминиатюризации радиоэлектронной аппаратуры, как ученые перешли к молекулярной электронике (молектронике). Важнейшей вехой на пути развития этого нового направления в конструировании и производстве электронной техники явились тонкопленочные схемы, или, как их часто называют, микросхемы.
Техника пленочных схем имеет много чрезвычайно важных достоинств. Она позволяет в значительно большей степени, нежели микромодули, микроминиатюризировать радиоэлектронные устройства и повысить их надежность. Другое замечательное свойство пленочной микроэлектроники — возможность создания микросхем в едином технологическом процессе.
Тонкопленочные схемы изготовляют в сверхчистой среде — специальном высоковакуумном агрегате, работающем при давлении порядка одной десятимиллионной доли атмосферы. Весь процесс основывается на термическом испарении различных материалов или их распылении при помощи ионной бомбардировки (для сопротивлений используется тантал, нихром, вольфрам и т. п., для изоляции — моноокись и двуокись кремния, сульфид цинка и некоторые сложные стекла, для диэлектрика конденсатора — моноокись кремния, фториды церия и др.; для проводников — алюминий, серебро, золото и др.) и последующем осаждении в виде тончайших пленок на нагретую до определенной температуры полированную подложку, изготовляемую обычно из керамики, стекла или ситалла.
Так путем последовательного напыления на подложку через маски (трафареты) тонких слоев различных материалов можно сформировать любой электронный блок, по своей структуре похожий на слоеный пирог. Один из слоев может содержать микросопротивления, несколько следующих — микроконденсаторы, определенные слои могут нести соединительные схемы и другие элементы. Количество слоев и возможность сочетания различных материалов целиком зависят от совершенства технологических методов и наших знаний физики тонких пленок. Сейчас уже можно создавать из различных материалов двадцатислойные пленочные структуры, обеспечивающие высокое быстродействие микросхем.
Ярким примером, иллюстрирующим возможности пленочной электроники, служит отечественный микроприемник "Микро", построенный по схеме прямого усиления, с автоматической регулировкой громкости. Он работает в двух диапазонах — на средних и на длинных волнах. Приемник изготовлен на основе сверхсовременной пленочной технологии. Размеры этого шести-транзисторного приемника — 42 X 28 X 6 мм, вес — 18 г. Приемник прикалывается к платью булавкой, как брошь. Да, он выглядит нарядной безделушкой — намного меньше спичечного коробка и тоньше многих наручных часов. Пленочная схема приемника напоминает абстрактную картинку размером с почтовую марку, замысловатый рисунок ее скрывает около 30 конденсаторов и сопротивлений и не один десяток соединительных проводов. Когда смотришь на это чудо микроэлектроники, невольно вспоминается лесковский тульский оружейник, сумевший подковать блоху. Кажется, ничего не может быть меньше, компактнее, миниатюрнее этого поистине ювелирного изделия, ничего не может быть совершеннее его. Но...
В еще большей степени, нежели пленочные схемы, проблему микроминиатюризации радиоэлектронной аппаратуры позволяет решить "планарная" технология изготовления твердых, или, как их еще называют, интегральных схем. Твердые схемы — прямые потомки полупроводниковых триодов и диодов. Размеры кристаллов, которые применяются в полупроводниковых приборах, — примерно порядка 1 мм. Но работает в таком кристалле практически лишь небольшой слой толщиной в несколько микрон — так называемый р — n-переход, т. е. район, где смыкаются две зоны кристалла с различной проводимостью — дырочной, положительной (р — positiv), и электронной, отрицательной (n — negativ). В твердых же схемах с помощью очень тонких и сложных технологических приемов в одном кристалле создают десятки подобных р — n-переходов, выполняющих обязанности диодов, транзисторов, конденсаторов, сопротивлений и др. Выражаясь техническим языком, интегральная схема — это "микроминиатюрная структура, в которой многочисленные радиоэлементы соединяются в схему на поверхности или внутри одной основы".

Рис. 14. Последовательность технологических операций при изготовлении планарного транзистора. а) Окисление; б) удаление окисной пленки из базовой области; в) диффузия примеси, формирующей базовую область; г) удаление окисной пленки 'из эмиттерной области; д) диффузия примеси, формирующей эмиттерную область; е) удаление окисной пленки из областей контактов; ж) нанесение металлических контактов
На рис. 14 показана последовательность технологических операций при изготовлении планарного транзистора. При производстве планарных транзисторных структур сначала окисляют поверхность кремниевой заготовки, а затем на этой поверхности методом фотолитографии и последующего вытравливания окисной пленки плавиковой кислотой получают незащищенные области кремния для создания базы. На эту незащищенную поверхность заставляют диффундировать одну из акцепторных примесей, для которой окисел является эффективной маской. Далее окисную пленку удаляют из областей, в которых затем создают эмиттер. Вследствие диффузии одной из донорных примесей в кристалл кремния образуется область с электронной проводимостью — эмиттер. Следующая операция заключается в удалении окисла с части эмиттерной и базовой областей для выполнения омических контактов. Наконец, в результате последней операции также методом фотолитографии создают необходимую систему металлизированных выводов.
Вероятно, если бы лесковскому Левше довелось сегодня познакомиться с изящностью методов планарной технологии и виртуозным мастерством инженеров по созданию твердых схем, великий умелец не поверил бы глазам своим. Да и у нашего современника, в течение многих лет привыкшего к так называемому классическому, навесному, монтажу, в плену которого радиотехника находилась не один десяток лет, результаты, полученные на интегральных схемах, с большим трудом укладываются в сознании. Согласитесь, что нелегко представить себе усилитель низкой частоты мощностью в 5 вт, размером с копейку или кремниевую пластинку диаметром с наручные часы, на которой сформированы одновременно 65 твердых схем, каждая из которых содержит 15 транзисторов, 7 диодов, 15 сопротивлений и целый лабиринт соединений! В результате замены обычных деталей интегральными микроузлами объем американских электронных счетных машин для управления снарядами удалось уменьшить в 66 раз, а вес — в 23 раза.
Наряду с резким уменьшением габаритов и веса радиоэлектронной аппаратуры, интегральные схемы позволяют успешно решить и такую фундаментальную задачу электроники сегодняшнего и завтрашнего дня, как повышение надежности. Ведь в твердых схемах отсутствуют соединения цепей, выполненные с помощью пайки, — один из самых ненадежных элементов радиоэлектронных систем. Согласно одному подсчету, в 1960 г. в электронной вычислительной машине, работающей на лампах, повреждение возникало один раз в 8,65 час. В 1964 г., после перехода на электронные вычислительные машины на транзисторах, число аварий сократилось до одного случая в 74 час. Применение интегральных схем дает еще большие преимущества. В 1965 г., когда были применены первые интегральные схемы, в работающей на них электронной вычислительной машине одно повреждение приходилось на 1650 час работы. Предполагается, что к 1970 г. длительность безаварийной работы достигнет 12 400 час.
Одним из важнейших достоинств интегральных схем является то, что они позволяют резко снизить потребляемую мощность. Ниже приводится таблица, показывающая улучшение важнейших параметров усилительного каскада при его переводе на твердые схемы.

Таблица 3
Сейчас в твердых схемах достигнута объемная плотность монтажа, эквивалентная примерно 2 — 3 тысячам радиоэлементов в 1 см3. Это значит, что в кристалле кремния размером меньше булавочной головки может разместиться микросхема, содержащая (в пересчете на обычные радиодетали) 30 — 40 элементов. Но это еще не предел. По мнению ряда специалистов, в недалеком будущем в 1 см3 твердой схемы можно будет "вогнать" до 300 тысяч радиодеталей! К этому нужно добавить очень важное обстоятельство — сама методика изготовления молектронных схем обеспечивает надежность электронной техники, близкую к 100%.
Наступает эра микроэлектроники. Это не пустая звонкая фраза. Опыт создания твердых схем подготовил по существу новый этап микроминиатюризации — переход процесса изготовления электронных устройств на атомно-молекулярный уровень[28]. Электронная техника начинает прятаться в недра вещества. Рассматривая твердое тело как систему со многими частицами в небольшом объеме, ученые стремятся к тому, чтобы использовать все 1023 атомов, заключенных в каждом кубическом сантиметре твердого тела. В таком объеме теоретически можно разместить миллионы элементов электронной схемы.
В последнее время в производстве молектронных схем начали применяться ионнолучевые установки, электроннолучевая и лазерная техника, которые имеют большие перспективы дальнейшего развития. Дифракция не позволяет сфокусировать свет в точку диаметром менее 0,1 мк, тогда как электронная оптика в состоянии свести электронный луч в пятнышко диаметром до нескольких ангстрем. Электронный луч умеет многое. Он способен по команде оператора сваривать, гравировать, расплавлять, испарять, осаждать материалы из газовой фазы, разлагать химические соединения, фрезеровать пленки, проделывать микроскопические отверстия и т. п. Словом, электронный луч в своем универсальном могуществе — это и швец, и жнец, и на дуде игрец.
Еще более великолепными способностями, подобно джину из сказок "Тысячи и одной ночи", обладает ионный (молекулярный) луч. Сформированный из паров акцепторного или донорного примесного вещества, сфокусированный с помощью электромагнитной системы, послушный воле своего повелителя (программе, заданной человеком) и направленный на поверхность монокристалла кремния, он обеспечивает избирательную диффузию, причем глубина проникновения и конфигурация диффундирующего слоя заданы программой. Метод внедрения молекул примесей в кристалл кремния посредством ионного луча позволяет добиться более высокой точности образования областей определенной проводимости, чем метод, использующий механические маски. Ионный луч — мастер на все руки. Изменяя состав луча, можно наносить на подложку различные элементы электронной схемы — резисторы, конденсаторы, индуктивности, соединительные проводящие мостики. Так рождается твердая схема, замурованная в кристалл кремния, словно мушка в янтарь.
Анализируя весь ход развития электронной техники за последние годы, можно без преувеличения сказать, что дела здесь сейчас складываются так, когда чуть ли не каждый успех в естествознании начинает "работать" на микроэлектронику. Метаморфозы предельно чистых веществ, волшебство корпускулярных потоков, парадоксы низких температур, магия лазерной оптики, раскрывающиеся тайны биологических структур — все это чудесные ветры, надувающие паруса кораблика микроэлектроники. Поэтому так легок его бег, так стремительно его продвижение вперед. Ученые считают, что уже в самом недалеком будущем молек-тронные схемы смогут выполнять около 80% функций основных блоков радиоэлектронных устройств,' будут стоить в десятки раз дешевле, чем сейчас, а новая технология резко увеличит мощности электронной промышленности.
Настоящие и ожидаемые в будущем успехи молектроники и бионики позволяют строить самые оптимистические прогнозы относительно создания микроэлектронных вычислительных машин с огромным объемом памяти и большим быстродействием при минимальном расходе электроэнергии. Некоторые ученые и, в частности, академик С. А. Соболев считают, что электронной технике не миновать этапа, когда вычислительные машины будут делать на белковой основе. Эту же мысль незадолго до смерти высказал Норберт Винер. На вопрос корреспондента журнала "Юнайтед стейтс ньюс энд уорлд рипорт": "Что вы можете сказать о будущем вычислительных машин?" — основоположник кибернетики ответил так:
"Генетическая память — память наших генов — определяется, по существу, комплексами нуклеиновых кислот. На протяжении последнего года появились основания думать, что память нервной системы имеет такую же природу. На это указывает открытие в мозгу комплексов нуклеиновых кислот, обладающих свойствами, которые в принципе могли бы быть хорошей основой памяти. Я полагаю — и я не одинок, — что примерно в следующем десятилетии подобные принципы будут использованы в технике.
...Будут вещества, сходные с генами. Это потребует новых фундаментальных исследований. Как осуществить ввод и вывод информации для генетической памяти, как использовать эту память в машине — решение таких задач связано с обширными исследованиями, которые сейчас еще только-только начаты. Некоторые из нас полагают (это еще не проверено), что ввод и вывод информации можно осуществить, используя молекулярные спектры испускания и поглощения комплексов нуклеиновых кислот. Сбудется ли это, я не возьмусь утверждать. Но саму идею некоторые из нас рассматривают серьезно".
Далее на вопрос: "Какова будет производительность такой машины (в блоках памяти которой предполагают использовать гены. — И. Л.) по сравнению с современными вычислительными машинами?" — Винер ответил:
"Во много раз больше, а размеры ее будут гораздо меньше ныне существующих. Она сможет перерабатывать гораздо больший объем информации".
Не все ученые согласны с предсказаниями С. А. Соболева, Н. Винера и др., что в будущем дело дойдет до построения белковых машин. Как бы то ни было, эти перспективы весьма далекие.
Но если заглянуть несколько ближе, то вполне реальным может стать создание вычислительных машин на базе так называемой "ростовой" (непрерывной) технологии, широко применяемой в "радиоэлектронном производстве" живой природы.
Хорошо известно, что мозг строится и развивается в результате естественного роста. Выращивать искусственные нейроны мы пока еще не научились, но принципиально это вполне осуществимо при условии познания механизмов роста живой материи. Во всяком случае, специалисты по бионике, по электронным устройствами, по кристаллографии, по физике твердого тела и другие ученые проявляют большой интерес к "ростовой" технологии, идеально отработанной живой природой. В ряде стран сейчас ведутся интенсивные бионические исследования в этой области. Поскольку вся полупроводниковая техника — это кристаллическая техника, ученые особенно большие надежды возлагают на создание электронных вычислительных машин посредством выращивания кристаллов. И нужно сказать, что надежды эти уже начинают оправдываться.
"Известно, — пишет А. М. Эндрю в своей книге "Мозг и вычислительная машина", — что при прохождении электрического тока через раствор железного купороса на дне сосуда образуются железные нити. Гордону Паску удалось вырастить довольно разветвленную систему нитей в сосудах с большим числом электродов. Информация в виде электрических сигналов поступает в систему железных нитей через электроды. Здесь же имеются и другие считывающие электроды, которые получают сигналы из системы. Паск рассмотрел ряд способов, которыми можно создать систему, самоорганизующуюся для достижения некоторой цели. Простейшие компоненты, из которых в перспективе будут состоять вычислительные машины, возможно, смогут саморазмножаться подобно железным нитям, полученным Паском. Дальнейшие исследования головного мозга покажут, как должна функционировать вычислительная машина, состоящая из таких элементов".
Итак, мы стоим перед новыми революционными преобразованиями в электронной технологии. Не нужно быть фантастом, чтобы представить себе, как в будущем методами заимствованной у природы непрерывной "ростовой" технологии инженеры получат возможность выращивать в особой среде не только отдельные элементы, узлы и блоки электронных устройств, но и целые вычислительные машины. Архаизмом станут процессы монтажа и настройки радиоэлектронной аппаратуры. "Ростовая" технология избавит вычислительную технику от ее злейших врагов — контактов и соединений с помощью пайки, позволит наконец полностью решить головоломную проблему века — проблему высокой надежности электронной техники. Сказочно — другое слово трудно подобрать — повысится уровень "мышления" вычислительных машин. Если в 1 см3 самых умных электронных "мозгов" сейчас сосредоточено 2250 различных деталей, то в будущем плотность упаковки элементов в вычислительных системах приблизится к плотности нейронов в мозгу (225 миллионов в 1 см3). Иными словами, грядущие электронные помощники и "соперники" человеческого мозга станут в 100 000 раз "умнее" своих предшественников. Резко возрастет и быстродействие вычислительных машин. Нынешние "молниеносные" вычислительные системы, которыми мы так восхищаемся, — страшные тугодумы. Даже самая быстродействующая машина — "сверхмозг" не делает больше 100 миллионов операций в секунду. Вычислительные же системы, созданные методами выращивания, будут, по мнению ученых, работать на сверхкоротких импульсах, т. е. будут производить миллиарды и даже тысячи миллиардов операций в секунду!
Достижение колоссального быстродействия, феноменальной емкости памяти вычислительных машин — дело только времени. Инженеры и физики находят сейчас все новые и новые способы решения этих проблем. Очень может быть, что глубокое познание механизмов роста живой материи укажет совершенно новые пути развития методов выращивания электронных систем, ничего общего не имеющих с процессами кристаллизации. Возможно и другое — ученые пойдут по пути синтеза искусственных и естественных методов выращивания. Во всех случаях оба пути, надо полагать, приведут к дальнейшему совершенствованию технологии создания вычислительной техники.
Теперь, когда нам известны основные проблемы электроники наших дней и пути, какими они будут решаться, мы можем заглянуть в ближайшее будущее радиоэлектронной промышленности, которое наступит, скажем, через 50 лет.
Итак, 2018 г. В 2018 г. не будет радиоэлектронной промышленности в том виде, к какому мы привыкли сейчас. Производство радиодеталей, на котором основана современная электронная промышленность, полностью исчезнет. Использование достижений бионики, кибернетики, физической химии и кристаллохимии качественно изменит принципы конструирования радиоэлектронной аппаратуры, сотрет грань между элементами и узлами систем, коренным образом изменит организацию производства радиоэлектронных устройств.
В течение ближайших 50 лет будут разработаны и построены саморегулирующиеся вычислительные машины, которые будут осуществлять функции разработчиков, конструкторов и сборщиков электронных систем. Информация, полученная из этих "конструирующих машин", будет храниться в накопителях (компактных кладовых знания) и оттуда поступать в автоматические сборочные машины, которые будут производить и собирать законченное электронное устройство из обрабатываемого сырья. Опытная, или пробная, продукция будет возвращаться из сборочных машин в конструирующую машину, где будут исправляться ошибки в расчетах и конструкции функциональных схем (модулей) и изыскиваться оптимальные варианты системо-схем по важнейшим параметрам, а также по надежности, долговечности и стоимости. Эти конструирующие и сборочные машины будут достаточно гибкими и универсальными, чтобы рассчитывать и создавать самые разнообразные радиоэлектронные системы, требуя для этого только изменения величины сигналов на входе конструирующей машины и материалов, поступающих в сборочную машину. Так в недалеком будущем сольются в едином технологическом потоке процессы разработки, конструирования, экспериментирования и производства радиоэлектронных систем.
Разумеется, переход от изготовления интегральных схем к производству радиоэлектронных устройств на молекулярно-атомном уровне будет нелегким. Предстоит решить ряд сложнейших физических и технических проблем. Ученые должны в совершенстве овладеть способами управления взаимодействиями электрических и магнитных цепей, ядерных и термических явлений. При концентрации десятков и сотен миллионов "радиодеталей" в одном кубическом сантиметре объема перегрев неизбежен (ведь электрические явления сопровождаются выделением джоулева тепла и относительные количества этого тепла растут с уменьшением габаритов элементов). Чтобы опрокинуть тепловые барьеры сверхмикроминиатюризации, ученым придется много потрудиться. Надо изыскать такие вещества, молекулы и атомы которых способны надежно выполнять обязанности радиодеталей с наилучшими характеристиками.
Технический прогресс можно рассматривать как своеобразную искусственную эволюцию в процессе приспособления к окружающей среде, причем, как показывают бионические исследования, многие этапы естественной эволюции повторяются в развитии электронной техники. Поэтому столь важны проводимые сейчас бионические исследования "радиоэлектронных" систем живой природы, изучение ее самого гениального творения — человеческого мозга. Они уже дали многое и будут еще полезнее в будущем, ориентируя инженеров на широкий круг возможностей перспективных разработок, готовя теоретическую и экспериментальную базу для грядущих технических реализаций в радиоэлектронике. И сегодня, заглядывая в коммунистическое завтра, нам видится в руках ученого быстродействующая электронная вычислительная машина величиной с томик стихов Есенина. С помощью такой книжки-машины филолог и археолог будут расшифровывать неразгаданные письмена древности, астрономы — рассчитывать орбиты планет, обращающихся вокруг далеких звезд. Экономисту микромашина позволит произвести технико-экономический анализ работы предприятий и целых отраслей промышленности, селекционеру даст возможность подвести итог многолетних экспериментов по выведению новых сортов пшеницы и подскажет, как сделать, чтобы в окончательном варианте было нужное количество белков и других питательных веществ. Биохимику портативная счетная машина поможет разгадать механизм обмена веществ в живом организме — сложную совокупность химических реакций, бионику — воспроизвести и проследить за короткий срок многомиллионнолетнюю эволюцию любой биологической системы. И не только филолог и археолог, экономист и селекционер, биохимик и бионик, а и ученый, работающий в любой области науки и техники, склонившись над микроэлектронной вычислительной машиной-книжкой, сможет заглянуть в неведомое и предвычислить грядущее!
* * *
Много, много тайн предстоит открыть бионике в творческой мастерской живой природы, решить множество сложнейших инженерных проблем. И молодая наука спешит, стремительно шагает в будущее из лабораторий Москвы и Киева, Ленинграда и Харькова, Новосибирска и Львова, Минска и Риги, Горького и Тбилиси, Казани и Томска. Ученые уже поговаривают о близком наступлении биовека, когда по примеру живой природы мы будем строить орнитоптеры и энтомоптеры, быстроходные подводные лайнеры, вездеходы для путешествий по Луне, Марсу, Венере и другим планетам, воздвигать на Земле лучезарные города из домов-деревьев и сказочной красоты поселения на дне морей и океанов, свободно ориентироваться в космосе, как птицы в воздухе, точно прогнозировать изменения погоды, наступление землетрясений и вулканических извержений, выращивать различные радиоэлектронные устройства, невиданные биомеханизмы, искусственные нейроны, строить белковые вычислительные машины... Прямое превращение солнечного света в одежду и продукты питания по образцу фотосинтеза, происходящего в каждом зеленом листе... Вместо громоздких машин — искусственные мышцы... Управление самолетами, станками, автомобилями и ракетами простым усилием мысли, без всяких штурвалов и рулей... Но стоп! Позвольте передать авторучку фантастам, предсказания которых сбываются в наш век...
Более 800 000 книг и аудиокниг! 📚
Получи 2 месяца Литрес Подписки в подарок и наслаждайся неограниченным чтением
ПОЛУЧИТЬ ПОДАРОК