Беседа восьмая. Бионика и архитектура
Приближалась сотая годовщина Великой французской революции. К этой дате решили организовать в Париже всемирную выставку, а на территории выставки — воздвигнуть башню, она должна была символизировать собой и величие французской революции и новейшие достижения техники. На конкурс поступило 700 проектов. Лучшим был признан проект инженера-мостовика Александра Гюстава Эйфеля.
По окончании строительства башни (она была собрана из 15 000 отдельных металлических частей, скрепленных 2 500 000 заклепок) известный в то время поэт Максимилиан Волошин, большой любитель всяких шуток и "розыгрышей", распустил слух, будто в Эйфелевой башне, поразившей в конце XIX столетия весь мир своей высотой и ажурностью конструкции, нет ничего нового, она якобы построена по чертежам одного арабского ученого.
Это была, конечно, шутка. Но, внимательно изучив устройство знаменитой трехсотметровой башни, которая давно уже стала таким же своеобразным символом Парижа, как у нас в Москве Кремль, архитекторы и биологи сделали неожиданное открытие: изящная конструкция Эйфелевой башни в точности повторяет (совпадают даже углы несущих поверхностей) строение... большой берцовой кости, легко выдерживающей тяжесть человеческого тела! Оказывается, то, что сознательно искала пытливая мысль талантливого инженера, "целесообразно" создала природа в отшлифованном тысячелетиями живом организме.
Не так давно ученые установили, что скелет лебедя устроен точно так же, как арматура современных железобетонных конструкций. Аналогично тому, как стеклянное волокно повышает прочность ламинатов, каркас из неправильных волокон какого-то "цемента" придает прочность мягкому телу лебедя. Этот каркас состоит главным образом из спонгина — белкового вещества, богатого связанным йодом. Стекловидные, заостренные на конце иглы — так называемые склеры — выполняют ту же функцию, что и стальная арматура в бетоне. Поэтому скелет лебедя, состоящий из продольных и поперечных "балок", может выдерживать значительные нагрузки.
И еще один любопытный факт. Все началось, как любит рассказывать французский профессор Роберт Ле-Риколе, с анекдотического случая. Однажды Ле-Риколе нашел в крупном макете здания... человеческий скелет, напоминающий по своей позе профессора. Кто-то из студентов хотел таким путем выразить свое отношение к методам преподавания Ле-Риколе[10]. Профессор заинтересовался конструкцией скелета и велел перенести его в свой кабинет. Произвели ряд обследований и обмеров. Когда скелет взвесили, то оказалось, что он весит только 6 кг, т. е. в 10 раз меньше, чем средний человек. Исследования установили, что кость, хотя она и является чрезвычайно хрупким материалом, способна, благодаря присущему ей особому строению, выдерживать большие нагрузки, порядка 1200 — 1700 кг/см2. Отсюда последовал логический вывод — прочность данного материала зависит от того, как построена его ткань.

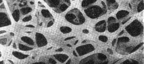
Рис. 1. Микрофотография большой берцовой кости
Всестороннее, тщательное изучение человеческого скелета показало, что он представляет собой необыкновенно сложный комплекс пространственных систем. Поскольку невозможно статически определить наименьшее число соединенных стержней в узлах, Ле-Риколе пришел к заключению, что "следует рассматривать не узлы, а распределение отверстий. Порядок повторения этих отверстий может дать ключ к истинному смыслу всего построения" (рис. 1).
И тогда, рассказывает Ле-Риколе, в его творчестве открылась новая глава: дырчатые конструкции. Профессор пришел к заключению, что главное — это соответствующее расположение в материале пустых пространств. Вопрос заключается не в расположении плоскостей, а в обрамлении отверстий, соединяемых разным образом. Различные способы соединения обрамлений отверстий, по твердому убеждению Ле-Риколе, позволяют решить ряд сложных проблем в сопротивлении материалов. Ученый надеется, что разработанные им пространственные системы найдут в ближайшем будущем широкое применение, и, в частности, в космонавтических конструкциях, где принимается в расчет не только сопротивление материалов, но прежде всего количество употребленного материала (снижение веса конструкций). По мнению ряда крупных архитекторов, макеты, выполняемые ныне под руководством Ле-Риколе, могут сегодня казаться утопическими, но возможно, что через несколько лет они будут основой для новых концепций овладения межпланетным пространством.
Итак, обычная кость человека предстает перед нами настоящим кладезем технических идей — стоит только всмотреться, взглянуть на нее другими глазами.
Какими же это другими?
Глаза человеческие устроены очень сложно, но у всех одинаково, и, вообще говоря, люди видят вещи такими, какие они есть. А бывает особый взгляд — взгляд через невидимую призму творческого мышления, который способен рассмотреть сущность вещи, увидеть ее метаморфозы, ее новые грани, особенности предназначения. Ведь вот же не раз, надо полагать, доводилось Александру Эйфелю видеть человеческий скелет, слышать о прочности его костей, но, когда он приступил к проектированию своей чудесной башни, ему и невдомек было искать прообраз ее конструкции в строении большой берцовой кости. Но стоило волей случая увидеть скелет человека профессору Ле-Риколе, занятому поиском новых архитектурных форм, и в его мастерской появились макеты оригинальных зданий будущего.
И еще пример. В одной из своих статей французский архитектор Огюст Перре, автор известного проекта здания театра на Елисейских полях в Париже, пишет:
"...Что касается меня, то я никогда не пытался направлять звук, считая, что лучше, как это делалось в античных театрах, дать ему свободу.
Я присутствовал однажды при убедительном подтверждении этого принципа, когда услышал в Лурде пение странников под деревьями. Никогда я не слышал более прекрасного звучания, чем здесь, в пространстве, ограниченном землей и покровом из листьев. Я решил тогда, что такого рода звучание может быть достигнуто, если построить зал "просверленный" в той же пропорции, как покрытие у листьев. По этому принципу и построен большой музыкальный зал театра на Елисейских полях. Я построил сперва закрытый зал, а внутри него — другой зал, "просверленный", как корзина. Эта система оказалась настолько удачной, что один из наиболее требовательных руководителей оркестра говорил об акустике зала, что она является "чудом". Акустические качества этого зала я объясняю тем, что "решето" зала беспрепятственно пропускает звуки, устраняя лишние звучания и эхо..."
Подлинно любознательные, подлинно преданные науке глаза ученых не раз пытались заглянуть в архитектурную мастерскую природы. Изучением структуры природного материала и особых принципов самоконструирования живых организмов занимались такие выдающиеся ученые, как Демокрит, Галилео Галилей, Роберт Гук, Герберт Спенсер, Марчелло Мальпиги и др. Известный немецкий ботаник Симон Швенденер посвятил свои исследования выяснению связи между анатомическим строением и физиологической функцией органов и тканей растений. В результате проведенных исследований ученый установил, в частности, что расположение опорных тканей в растениях обеспечивает их наибольшую устойчивость и соответствует законам механики; он разработал так называемую механическую теорию листорасположения. Так, трудами С. Швенденера было положено начало науке об архитектонике растений. Многое в ней объяснил выдающийся русский естествоиспытатель-дарвинист К. А. Тимирязев. "Роль стебля, — писал ученый, — как известно, главным образом архитектурная: это — твердый остов всей постройки, несущий шатер листьев, и в толще остова, подобно водопроводным трубам, заложены сосуды, проводящие соки... Именно на стеблях узнали мы целый ряд поразительных фактов, доказывающих, что они построены по всем правилам строительного искусства". Значительный вклад в развитие науки об архитектонике растений внесли советские ботаники В. Раздорский, В. Талиев и др.
Однако подавляющее большинство проводившихся в прошлом исследований удивительных механических свойств, чудесных архитектурных форм живых организмов носило чисто академический характер, и сознательное использование в строительной технике накопленных знаний о природных конструкциях до сравнительно недавнего времени было весьма ограниченным. Скорее, имело место интуитивное заимствование у природы ее архитектурного мастерства.
Но это — в прошлом. Теперь изучение природных конструкций ведется планомерно, с использованием новых, небывало мощных и бесконечно тонких физико-математических и химических методов. Глубокие и всесторонние исследования принципов самоконструирования живых организмов за сравнительно короткий срок принесли богатый урожай открытий. Познакомимся же с тем новым, что внесено изучением природных конструкций в строительную технику и архитектуру.
В Дакаре проектировали здание театра, внутри которого не должно было быть ни одной колонны, ни одной даже декоративной опоры — все здание должно было представлять собой огромную, пустую, тонкую железобетонную "скорлупу", покоящуюся на специальном фундаменте.
Когда все расчеты были закончены, оказалось, что запроектированной конструкции здания явно не хватает прочности. Между тем естественная яичная скорлупа легко выдерживает соответствующие нагрузки. В чем же дело? Пришлось обычное "выеденное яйцо" подвергнуть тщательному изучению. Установили, что его прочность объясняется тонкой и эластичной пленкой-мембраной, благодаря которой скорлупа оказывается конструкцией с предварительным напряжением. Этим открытием строители не преминули воспользоваться при сооружении театрального здания, только мембрана была, конечно, изготовлена не из "куриного" материала, а из армоцемента.
Помимо яичной скорлупы в природе имеется множество других форм оболочек, заслуживающих подражания. Это скорлупа ореха, панцири животных, раковины и т. п. Все эти природные структуры характеризуются изогнутой поверхностью, высокой жесткостью и твердостью материала. Тонкие и легкие, они вместе с тем весьма прочны, требуют незначительного расхода "строительного материала". Эти же качества характерны и для современных строительных конструкций, называемых оболочками. И не случайно во всех странах инженеры, занявшиеся проектированием и сооружением зданий такого рода, каждый на своем языке назвали эти конструкции скорлупами. Тонкие армоцементные скорлупы толщиной 15 — 30 мм покрывают ныне без опор пространства высотой до 120 и более метров. При этом, чем больше пролет, тем тоньше и легче (до определенных пределов) должна быть скорлупа!
Заговорив о форме, рождающей прочность, нельзя не рассказать об удивительном устройстве некоторых листьев, подсказавшем архитекторам так называемые "складчатые конструкции". Речь пойдет о существующих в растительном мире листьях, имеющих ребристую форму и форму веера. В этих структурах, пожалуй, нашла свое наиболее яркое воплощение одна из самых интересных закономерностей природы — "сопротивляемость конструкции по форме".

Рис. 2. Бумажная модель складчатой конструкции (по К. Зигелю). 1 — ровный лист бумаги прогибается; 2 — придав листу складчатую форму, мы повышаем его несущую способность; 3 — при перегрузке складки распрямляются; 4 — торцевые стенки (диафрагмы) придают складкам жесткость и повышают их несущую способность
Что же скрывается за этим сухим инженерным термином, каков его смысл? Поясним простым примером. Возьмем лист обычной писчей бумаги и положим его противоположные края на подставки (рис. 2). Лист не выдержит собственного веса и прогнется. А теперь сложим тот же лист "гармошкой" и положим его опять на две опоры так, чтобы параллельные складки шли поперек пролета. Нетрудно убедиться, что такой гофрированный лист ведет себя иначе, чем гладкий. Он устойчив и может легко, не деформируясь, выдержать нагрузку, равную стократной величине его собственного веса; если же к торцам складок приклеить усиливающие полоски, то гофрированный лист сможет выдержать еще большую нагрузку. Что же произошло, ведь в нашем опыте ни размеры листа, ни его вес, ни качество не изменились? Все дело в новой форме листа — она придала ему новые механические качества. Используя принцип "сопротивляемости по форме", в США построили складчатые купола пролетом 100 — 200 м, во Франции произвели перекрытие павильона пролетом 218 м. Широкое применение получили тонкостенные пространственные складчатые конструкции и в СССР. Это стало возможным благодаря глубоким исследованиям советских ученых и инженеров, посвященным теории складок, методам возведения большепролетных сооружений.

Рис. 3. Конструкция крупной панели, изготовленной по сотовому принципу
Не так давно известный польский инженер и архитектор Адам Карвовский применил в строительстве жилых домов опыт пчел в сооружении восковых сот. Они представляют собой десятки тысяч шестигранных призм, расположенных параллельными рядами. Основание каждой призмы состоит из трех ромбов, образующих вместе пирамиду. Пчелиные соты обладают многими достоинствами. Унификация элементов здесь доведена до предела: главным и единственным конструктивным элементом всей пчелиной постройки служит шестигранная ячейка, сделанная из воска. Другое достоинство сот — их прочность. Каждый ряд ячеек пчелы кладут с "перевязкой", как каменщики кирпичную стену. Но прочность здесь — относительная, конечно, — выше, чему кирпичной стены. Соты изотропны; это значит, что их прочность одирткова во всех направлениях. Именно этими достоинствами пчелиных сооружений и решил воспользоваться Адам Карвовский при изготовлении по сотовому методу крупных панелей (рис. 3). Из шести видов панелей, изображенных на рис. 4, собираются ныне в Польской Народной Республике дома любой формы и с разным числом этажей.
Сотовые панели можно делать из самых разных материалов: из обычного железобетона, древесно-волокнистых плит, синтетических смол, шлаковой ваты, различных отходов. Вместо стали для армирования применяют пластмассы. Дома, собранные из панелей Гданьского конструкторского бюро, в 5 раз легче обычных, а затраты труда на их постройку в 20 раз меньше!

Рис. 4. Шесть видов сотовых панелей, из которых можно собирать дома любой формы и с разным числом этажей
У пчелиных сот имеется еще одно чрезвычайно важное достоинство, весь секрет которого заключается в рационально выбранной форме, в геометрическом построении восковой ячейки. Ученые не раз производили самые точные вычисления размеров главного конструктивного элемента пчелиных сот и неизменно приходили к одному и тому же результату: все острые углы трех ромбов, образующих основание каждого шестигранника, равны 70°32'. Математики доказали, что при шестигранной форме именно такая величина углов обеспечивает наибольшую вместимость сотовой ячейки при минимальных затратах строительного материала на ее сооружение.
Небезынтересно отметить, что однажды все же возникло сомнение в точности "вычислений", которые "сделали" пчелы. Один английский ученый пришел к выводу, что острый угол каждого ромба должен равняться не 70°32', а 70°34'. И стало быть, пчелы все же немного ошиблись. Неизвестно, как долго длился бы этот спор, если бы не случилось одно неожиданное происшествие, не имевшее к пчелам никакого отношения.
А случилось вот что. В бурю перевернулся и затонул недалеко от берега английский корабль. Следствие установило, что он был неправильно рассчитан, так как кораблестроители пользовались изданием логарифмических таблиц, в котором были опечатки. Вот тогда-то и выяснилось, что этим же изданием логарифмических таблиц пользовался английский ученый, заявивший, что пчелы неверно решили задачу о наибольшей вместимости ячеек. Когда же он проверил свои вычисления по другим таблицам, то выяснилось, что правы были пчелы!
Итак, за миллионы лет эволюции пчелам удалось методом проб и ошибок найти самую экономичную и самую емкую форму сосуда для хранения меда.
А нельзя ли нам, людям, воспользоваться опытом мохнатых тружениц и тоже хранить в сотах, но только железобетонных, разные продукты, например зерно? Безусловно, можно! И не только можно, но и настоятельно необходимо. Ведь ежегодно в нашей стране строятся десятки элеваторов для хранения зерна. А обычный элеватор — это просто ряд труб — силосов. Совершенства здесь мало, а железобетона расходуется много. Толщина стенок круглых монолитных башен весьма велика. И не потому, что прочность этого требует, их иначе сделать невозможно. В тонкий зазор — щель между кольцами опалубки — бетонную смесь не заложишь и уплотнительный вибратор не вставишь, волей-неволей приходится делать силосы массивными.
Иное дело сотовый элеватор, конструкцию которого разработали советские инженеры. Он строится просто и быстро. Уже в первом, высотой в пятнадцатиэтажный дом, сотовом элеваторе, сооруженном в Купино, в степи под Новосибирском, стенки силосов, собранные всего лишь из двух типовых железобетонных элементов, стали намного тоньше, бетона пошло меньше, а надежность конструкции значительно возросла. Следом за купинским поднялся в Целинограде еще более совершенный элеватор сотовой конструкции. На него ушло примерно на 30% меньше бетона, чем на его монолитного "предка", а затраты труда сократились вдвое!
Но тысячевековой опыт пчел в сооружении сот оказался полезным не только строителям жилых домов и зернохранилищ. Его весьма успешно используют при строительстве плотин, шлюзов и многих других сложных и ответственных объектов.
В последнее время в отечественной и зарубежной печати много пишут о так называемых "надувных сооружениях". Этой новинкой инженеры также всецело обязаны "изобретательству" природы. Ранней весной то тут, то там можно увидеть "чудо": нежные ростки растений взламывают асфальтовую "броню" толщиной 8 — 10 см. Подобное чудо повторяется ежегодно несметное число раз. Разрушение асфальта нежными ростками невольно поражает воображение. Откуда такая "прочность" у этих маленьких и хрупких созданий? Какая сила помогает им пробить асфальт, чтобы выбраться на волю, к теплу и солнцу?
У растительных клеток есть протоплазма и оболочка. При проникновении в клетку воды увеличивается объем клеточного сока, заключенного в особые пузырьки, вкрапленные в протоплазму. Вследствие этого облегающая пузырьки протоплазма плотно прижимается к клеточным оболочкам и растягивает их, подобно тому как надутые автомобильные камеры растягивают шины. Это напряжение клеточных оболочек, вызванное внутриклеточным давлением, называется тургором. Тур-гор и является той "силой", которая позволяет росткам "взрывать" асфальт, пробиваясь к теплу и свету. Он же создает упругость листьев и стеблей. Когда на ваших глазах сорванные и увядшие цветы "отходят" в воде, в их тканях нарастает тургор.
При нормальных условиях абсолютная величина внутриклеточного давления колеблется в пределах от 5 до 10 атм, а в отдельных случаях она во много раз превышает давление пара в котлах самых мощных локомотивов и достигает 108 атм. Здесь весь материал, как это нередко наблюдается в природе, работает на растяжение.
В 1951 г. советский инженер Л. Арсеньев, используя принцип тургора, разработал конструкцию надувного здания. Это новшество поначалу многие расценили как "весьма сомнительное", "практически неосуществимое". Но прошло несколько лет, и использование принципа тургора привело к появлению совершенно новой области строительной техники — к созданию пневматически напряженных конструкций. Пневматическое напряжение, создаваемое избыточным давлением газа или жидкости, обеспечивает гибкой герметичной оболочке несущую способность и устойчивость при любых видах нагрузок. Сейчас принцип тургора получил широкое применение в аэро- и гидростатической архитектуре США, Англии, Франции, Польши, СССР и других стран.
Различают два основных типа пневматических конструкций — воздухоопертые и еоздухонесомые (рис. 5 и 6). Возможны и комбинации конструкций этих двух типов, а также использование пневматических элементов в сочетании с жесткими конструкциями.

Рис. 5. Схема воздухоопертого купола. 1 — оболочка; 2 — анкерующий балласт; 3 — воздуходувка; 4 — тамбур (шлюз)
К воздухоопертым относятся системы, в которых избыточное давление воздуха порядка 20-100 мм водяного столба создается в самом эксплуатируемом объеме сооружения. Такое давление практически не ощущается человеком. Избыточное давление поддерживается с помощью вентиляторов или воздуходувок низкого давления. Они автоматически регулируются так, чтобы поддерживать внутри здания постоянное давление; при бурях включаются добавочные вентиляторы. На случай перерывов в подаче тока к моторам, приводящим в действие вентиляторы, воздухоопертое сооружение оборудуется запасной насосной установкой.

Рис. 6. Схема воздухонесомого арочного свода. 1 — пневматическая арка; 2 — компрессор; 3 — ограждающая оболочка; 4 — опорная пята арки
Герметичность сооружения обеспечивается воздухонепроницаемостью материала оболочки и ее плотным сопряжением с основанием. Основанием надувного здания в самом простом случае служит контурная труба из мягкого материала, заполненная водой или песком, которая располагается прямо на выровненной площадке. В более капитальных сооружениях делается сплошное бетонное основание, на котором укрепляется оболочка. Варианты крепления оболочки к основанию очень разнообразны. Чтобы слегка сжатый воздух не уходил из надувного здания при входе и выходе людей, здание оборудуется специальными герметическими дверями.
Таким образом, сооружение воздухоопертого типа состоит в общем случае из следующих конструктивных элементов: гибкой тканевой или пластмассовой оболочки, анкерных устройств различных типов, входного шлюза, имеющего две попеременно открывающиеся двери, и автоматических устройств для подачи воздуха и поддержания постоянной разности давлений.
Формы поверхностей пневматических оболочек должны отвечать определенным требованиям. При соответствующем раскрое материала и контуре опоры пневматическая оболочка под действием внутреннего избыточного давления приобретает форму поверхности наибольшего объема. Наиболее распространенными формами сейчас являются цилиндрический свод и сферический купол. Однако в пределах этого же закона формообразования допустимо огромное разнообразие форм оболочек, что открывает широкие возможности для решения разнообразных архитектурно-планировочных задач.
Наибольшую опасность для систем воздухоопертого типа представляют сильные ветры. Ветер, дующий с одной стороны купола, вызывает в различных его частях неодинаковые напряжения, а ведь оболочка надувного сооружения должна быть равномерно жесткой по всей поверхности. В случае же концентрации напряжений в одной части оболочки она может разорваться, а если опора у нее узкая, то возникает опасность опрокидывания купола. Всего этого можно избежать, поддерживая внутри здания такое давление, чтобы все точки его оболочки были напряжены до степени, препятствующей образованию складок под напором ветра.
Исследования, проведенные в аэродинамической трубе, показали, что мягкая оболочка надувной системы способна передавать чрезмерные напряжения, возникающие в одной ее точке, другим частям. Был поставлен такой опыт. В аэродинамическую трубу поместили модель надувного дома. Ураганный ветер со скоростью 320 км/час не нарушал формы купола модели при избытке давления внутри нее, составлявшем лишь 5% атмосферного!
Большой вклад в решение проблемы колебания мягких оболочек в потоке газа или жидкости внес советский ученый профессор С. Алексеев — один из авторов новой теории, позволяющей с большой точностью производить расчеты надувных систем. Эта теория получила высокую оценку видных отечественных и зарубежных механиков. Она повсеместно используется ныне при проектировании надувных сооружений.
Что касается материала для оболочек надувных систем, то многочисленные и длительные опыты показали — это должна быть прочная ткань, устойчивая к атмосферным влияниям, не становящаяся жесткой при низких температурах, не впитывающая воду, не слишком растяжимая, не портящаяся при продолжительном хранении. В настоящее время в пневматически напряженных конструкциях используются технические ткани на основе капрона, лавсана, нитрона, а также стеклянные волокна, пластмассовые армированные и неармированные пленки, тросы, тросовые сетки и другие материалы на основе минеральных и синтетических волокон, иногда — тонкие металлические листы. Лучше всех показали себя в эксплуатации оболочки, изготовленные из высококачественного нейлона. Для повышения прочности на разрыв применяется двухслойная ткань с нитями, пересекающимися под углом 45°, благодаря чему в случае надрыва она не разрывается дальше. Для придания покрытиям водо- и воздухонепроницаемости используются синтетические каучуки типа бутилкаучука, неопрена, а также полихлорвиниловые и полиэфирные смолы. Для светопрозрачных покрытий можно пользоваться пластмассовыми пленками (полиамидными, полиэтилентерефталатными, полихлорвиниловыми и т. д.).
Соединение полотнищ материи или пленки между собой зависит от напряжений в конструкции, которые в свою очередь обусловливаются требованиями, предъявляемыми к пневмосооружению. Соединения могут быть клееными или шито-клееными (при прорезиненных тканях). При использовании пленок соединение раскроенных полотнищ производится с помощью сварки — высокочастотной или тепловой.
Одна из трудностей, возникающих при эксплуатации воздухоопертых сооружений, состоит в конденсации паров, всегда присутствующих в воздухе, на внутренней поверхности оболочки, особенно в холодное время года. С этим можно бороться соответствующей вентиляцией помещения или с помощью веществ, поглощающих водяные пары из воздуха.

Рис. 7. Если оболочку, которую человек несет на плече, надуть воздухом, то получится здание площадью 12X24 м2
Зимой внешняя поверхность оболочки надувной системы обледеневает. Если площадь оболочки не очень велика, то обледенение можно устранить, изменяя давление в здании, чтобы вызвать движение оболочки и растрескивание льда. Если же оболочка велика, то на нее можно направить изнутри излучение инфракрасных ламп; такой нагрев оболочки предотвратит скопление снега и льда на ее наружной поверхности. Попутно заметим, что проблему создания отапливаемых воздухоопертых зданий можно решить путем комбинации воздушных насосов с калориферами.

Рис. 8. Начальная стадия надувания оболочки
Высокие конструктивные качества материалов, применяемых для сооружения воздухоопертых систем, обеспечивают малый вес конструкции на 1 м2 перекрываемой площади (он в 100 — 200 раз меньше веса покрытия из железобетона и стали). Малый вес пневматических конструкций, компактность в демонтированном состоянии, транспортабельность, возможность заводского изготовления, быстрота монтажа и демонтажа — качества, открывающие широкие возможности их применения в сооружениях самого различного типа и назначения.

Рис. 9. Оболочка надута
На рис. 7 вы видите человека, легко несущего на плече весь "строительный материал", необходимый для сооружения здания площадью 12 X 24 м2, вполне пригодного для жилья. Для того чтобы смонтировать такой дом, четырем человекам нужно потрудиться не более 4 час. Для "возведения" дома надо расстелить нейлоновую оболочку на земле, закрепить ее дно и привести в действие воздуходувку (рис. 8). Через несколько
Минут оболочка, имеющая толщину листа писчей бумаги, заполнится воздухом (рис. 9). Воздуходувка должна работать непрерывно для поддержания конструкции в надутом состоянии. Она требует столько же энергии, сколько лампа в 300 вт. Такие временные "воздушные дома" очень удобны для туристов, их легко установить в любом месте, даже на склоне горы.
Типичным примером сооружения воздухоопертого типа является пневматический зерносклад на 1800 г зерна весом всего 5 т. Его конструкция разработана Промзернопродуктом совместно с ЦНИИСК Госстроя СССР.
Малый вес конструкций, простота монтажа, транспортабельность сооружений позволяют предполагать, что такие склады найдут широкое применение для хранения зерна на целинных землях.

Рис. 10. Секция пневматического каркаса
В отличие от воздухоопертых, в воздухонесомых конструкциях давление воздуха создается в герметичных полостях несущих элементов; эксплуатируемый объем в этом случае свободен от избыточного давления. Внутреннее избыточное давление в таких сооружениях составляет от 0,3 до 5 атм, что уже требует применения компрессоров. Основными конструктивными элементами подобных сооружений служат пневматические арки, балки и колонны. Пневмокаркасный арочный свод и свод из целого ряда связанных между собой пневматических арок являются типичными примерами воздухо-несомых конструкций.
В Чехословакии изготовляются передвижные здания с каркасом из пневматических арок. Секция такого каркаса (рис. 10) имеет в плане размер 9X9 м2. Арки и распорки диаметром 40 см выполняются из технической ткани и имеют пластмассовые камеры. В арках поддерживается давление порядка 0,45 — 0,5 атм. Здание состоит из двух секций. Каркас покрыт сверху латексиро-ванной технической тканью с алюминиевым напылением. Покрытие имеет оконные проемы, "застекленные" прозрачной пластмассой.
Примером пневматической воздухонесомой конструкции может служить здание театра, построенного в Бостоне (США). В здании установлено покрытие в виде диска диаметром 44 м и высотой (в центре) 6 ж. Диск состоит из двух гибких оболочек, соединенных по наружному контуру, и с помощью тросов прикрепляется к опорной кольцевой раме, покоящейся на стойках каркаса (рис. 11). Необходимое давление в покрытии поддерживается тремя воздухонагнетающимиустройствами; дно из них подает в оболочку охлажденный воздух. (Стальной каркас рассчитан так, что кольцевая рама способна выдержать вес железобетонной оболочки, причем воздухонесомое покрытие будет использовано в качестве опалубки.) Театр рассчитан на 2000 мест. Он эксплуатируется только летом. На зиму покрытие убирается. 1 м2 покрытия весит 1,22 кг. Избыточное давление в покрытии составляет всего 25 мм водяного столба; несмотря на это, покрытие хорошо выдержало ураган в 1960 г.
Не так давно советские специалисты разработали несколько новых оригинальных воздухонесомых пневматических конструкций — так называемые "болыпеобъемные квазипустые" ("квази" означает "как бы") сооружения различной конфигурации, внутри которых создается неполный вакуум, т. е. квазипустота. Такие системы можно штамповать из прочного тонкостенного металлического листа, а также из высокопрочных, воздухонепроницаемых технических тканей, например прорезиненного нейлона или синтетических пленок.

Рис. 11. Общий вид летнего театра в Бостоне (внизу) и пневматическое покрытие (вверху)
Вот как устроено простейшее из таких сооружений — шарообразное. Оно состоит из наружной и внутренней сферических оболочек и связей между ними. Когда компрессор подает сжатый воздух в пространство между оболочками, сооружение, естественно, принимает форму шара — связи между оболочками не позволяют внутренней оболочке опасть. Здесь нет каркаса, его роль играет воздух между оболочками — давление воздуха противостоит внешнему атмосферному давлению. Остается только выкачать из эксплуатируемого объема шара воздух — и сооружение готово.
Полезность таких квазипустых сооружений в народном хозяйстве трудно переоценить. В них можно консервировать высокогабаритную технику (самолеты, вертолеты, тепловозы, вагоны, гидротурбины, автомобили, тракторы и т. п.). Квазипустые сооружения позволяют хорошо и без потерь сохранять урожай зерна, пока его не вывезут на элеваторы.
Весьма эффективно применение воздухоопертых и воздухонесомых сооружений в тех случаях, когда их основное назначение — защита от атмосферных воздействий: дождя, ветра, снега и т. д. Например, над открытым плавательным бассейном можно на зиму установить прозрачный купол, позволяющий пользоваться бассейном круглый год и в любом климате. На рис. 12 показана одна из надувных конструкций "Нильфранс", изготовленная из пропитанной особым составом нейлоновой ткани. Ее длина — 60 м, ширина — 40 м и высота — 19 м. Под таким куполом спортсмены

Рис. 12. Надувная конструкция 'Нильфранс' из пропитанной особым составом нейлоновой ткани
Национального спортивного института в Винсенсе тренируются в любую погоду. Другая надувная конструкция "Нильфранс" была использована для постройки велодрома, на котором проводились тренировки к Олимпийским играм 1964 г. (рис. 13). Для придания такой оболочке определенной формы достаточно надуть ее воздухом.

Рис. 13. Надувная конструкция велодрома
Недавно любители конькобежного спорта в городе Осака (Япония) получили новый крытый каток, здание которого сделано из нового материала — винилона. Для возведения над ледяным полем винилонового шатра, на изготовление которого пошло 8 000 000 м2 синтетической пленки, потребовалось всего около часа — единственным строителем нового здания без единой опоры был ... сжатый воздух.

Рис. 14. Передвижной выставочный павильон. Разрез, план, фрагмент входа, общий вид, 1 — двойная оболочка; 2 — купол реактора; 3 — лекционный зал; 4 — лаборатории
Не менее успешно надувные конструкции используются для сооружения ярмарочных и выставочных павильонов. Примером может служить здание павильона передвижной американской выставки. В павильоне демонстрируется опыт применения атомной энергии в промышленности, медицине, сельском хозяйстве и энергетике. Он состоит из лабораторий, лекционного зала и помещения для атомного реактора. Длина здания — 92 м, наибольшая ширина — 38 м, высота — 16,3 м. Общая перекрываемая площадь 2500 м2 (рис. 14).
Покрытие павильона образуют две тканевые оболочки. Пространство между наружной и внутренней оболочками разделено на восемь отсеков для сохранения несущей способности оболочки в случае местного прорыва ткани. Воздушная прослойка между оболочками толщиной 120 см служит хорошей тепловой изоляцией, препятствующей чрезмерному перегреванию излучением Солнца, что позволило отказаться от охлаждающих установок. В торцах оболочек установлены жесткие рамы, на которых смонтированы вращающиеся двери для входа и выхода посетителей. К этим рамам примыкают входные навесы в виде арочных воздухо-несомых сводов. В последние временно устанавливают две гибкие диафрагмы, образующие воздушный шлюз, когда в павильон вносят громоздкие экспонаты и оборудование. Форма сооружения и применение тканевых оболочек обеспечивают во внутренних помещениях хорошую акустику.
Общий вес выставочного павильона, включая все металлические элементы (двери, воздуходувки, крепления и т. д.), составляет 28 т. При транспортировке здание занимает объем 175 м3 и размещается в одном железнодорожном вагоне. Для возведения павильона требуется не более 3 — 4 дней и 12 человек. Весь монтаж проводится на уровне земли, без применения кранового оборудования. Оболочка заполняется воздухом за 30 мин (с момента включения нагнетательных устройств); она может выдержать нагрузку, возникающую при скорости ветра до 113 км/час.
Вследствие малой огнестойкости покрытий надувных сооружений они неприменимы для горячих цехов. Однако материалы для пневмоконструкций могут быть и несгораемыми. Ныне имеется уже немало примеров применения пневмосооружений в качестве промышленных цехов, ангаров вертолетов, гаражей, мастерских по ремонту вагонов, цистерн и автомашин.
Синтетические материалы обладают достаточной химической устойчивостью и поэтому могут применяться для промышленных пневмосооружений, предназначенных для производств, связанных с выделениями корродирующих веществ. Такие сооружения можно использовать также в нефтяной и химической промышленности в качестве хранилищ и мягких трубопроводов.
Удобно и весьма эффективно использование надувных систем в качестве цирковых шатров, магазинов, ресторанов и укрытий на строительных работах, в качестве специальных сооружений: мачт, башен, вентиляционных каналов, опалубки для железобетонных труб и оболочек. Наконец, большое будущее, по мнению специалистов, ожидает мягкие оболочки в космонавтике.
Столь широкие возможности применения пневматических конструкций в различных областях народного хозяйства обусловлены множеством достоинств надувных систем. Они позволяют быстро перекрывать большие пролеты без промежуточных опор. Пневматические конструкции лучше всех других можно чрезвычайно легко и экономично использовать для сооружения зданий со сложной планировкой. Они абсолютно сейсмостойки, что имеет большое значение для строительства в сейсмических районах. Надувные сооружения безопасны при авариях: при постепенном истечении воздуха через прорыв поврежденная оболочка в силу своего малого веса опускается медленно и не способна причинить повреждения ни людям, ни оборудованию. Важнейшими же преимуществами надувных систем, сооружаемых из мягких синтетических пленок и тканей, являются дешевизна синтетических материалов, возможность обходиться без обычных строительных материалов (дерево, сталь, кирпич и т. д.) и легкость монтажа, не требующая привлечения квалифицированной рабочей силы. Практика показала, что постройка большой аудитории или зрительного зала с надувным куполом обходится в несколько раз дешевле, чем аналогичные строения с потолком, опирающимся на металлические или деревянные фермы. Следует еще добавить, что удельные капиталовложения для создания заводов, производящих пневматические конструкции, могут быть значительно меньше, чем в случае всех других видов конструкций.

Рис. 15. Мост длиною свыше 1 км, спроектированный в виде полусвернутого листа (архитектор П. Солери)
Отмеченные достоинства надувных систем, в основе которых лежит заимствованный у природы принцип тургора, позволяют ученым сделать смелое предположение: не в столь отдаленном будущем можно будет закрывать надувными куполами целые небольшие города, создавая любой климат для населения этих городов. Во всяком случае, уже появились проекты заполярных городов, укрытых от суровой природы надувными мягкими оболочками, городов с искусственным климатом. И сегодня такие проекты отнюдь не выглядят фантастичными...
Подражая природным структурам, ряд оригинальных сооружений удалось создать и мостовикам. Так, например, французские инженеры возвели один мост, похожий на скелет морской звезды. Он имеет вид равностороннего треугольника. Это значительно надежнее, чем арочные конструкции. Попутно заметим, что выгодно делать треугольными и кирпичи. Стены домов, сложенные из таких кирпичей, приобретают большую, против обычного, прочность.
Нередко листья свертываются в трубку, образуют причудливые желоба, закручиваются в спираль — это обеспечивает их наибольшую прочность. Такая трансформация формы подсказала идею проекта моста через реку в виде полу свернутого листа (рис. 15). Его легкость поразительна, прочность (она обеспечивается загнутыми краями) необычайна. Красотой, экономичностью и долговечностью этот мост полностью обязан природе!
И еще об одной конструкции моста, подсказанной природой. Инженер Сэмюэль Броун работал над проектом моста. Он знал огромное количество разных типов мостов, много их построил сам, но вот профиль и основная конструкция нового моста не получались, никак не вырисовывались в его сознании, несмотря на долгие и мучительные раздумья. Между тем сроки торопили, нужно было как можно скорее найти общий принцип конструкции моста... Инженер вышел в сад. Тысячи тонких нитей паутины провисали между деревьями, тянулись от ветки к ветке, перебрасывались от куста к кусту. Прямо над собой, у дорожки, Броун увидел прообраз искомой им конструкции моста на гибких длинных нитях. Ветер раскачивал ее, но подвесные нити не рвались. Оставалось только рассчитать нагрузки и сечения. Так появились в инженерной практике прочные и красивые подвесные мосты...
Сейчас уже существуют десятки технических структур, созданных инженерами и архитекторами по образу и подобию природных. Мы рассмотрели лишь небольшую их часть. Но и приведенных примеров вполне достаточно, чтобы признать — в бионике появилось новое направление, имя которому — биоархитектура; использование строительного опыта природы значительно повлияло на принципы современной архитектуры.

Рис. 16. Фрагмент нерватуры листа в сильно увеличенном виде (слева) и фрагмент перекрытия выставочного зала в Турине (архитектор П. Нерви) (справа)
Заимствование природных конструкций благотворно сказалось на архитектурных формах современных зданий и сооружений, нашло свое выражение в ряде созданных за последние годы пространственных решетчатых конструкций, которые состоят из большого количества отдельных стержней, подвергающихся продольным усилиям, т. е. растяжению или сжатию. Применяются с этой целью и складчатые конструкции, оболочки, служащие несущими конструкциями и состоящие из искривленных поверхностей: материал таких конструкций в идеальном случае подвергается действию нормальных усилий и усилий сдвига, но не усилий изгиба. Посмотрите на рис. 16 и вы увидите, как удачно итальянский архитектор Пьер Луиджи Нерви использовал принцип конструкции листа дерева в перекрытии зала туринской выставки. Стометровый пролет без опор перекрыла легкая конструкция из армоцемента толщиной всего в 4 см — все перекрытие пронизано креплениями, расположенными абсолютно так же, как и нерва-тура листа. Второй пример успешного копирования природной пространственной системы — изображенный на рис. 17 железобетонный каркас свода (пролет длиной около 200 м), созданный также Нерви.
Пространственные природные конструкции отличаются от широко распространенных в строительной технике плоскостных несущих конструкций большей выразительностью. По существу, они более совершенны, и то, что пространственные конструкции сейчас получают все более широкое распространение, безусловно, означает переворот в инженерном мышлении. "В будущем, — пишет известный немецкий архитектор Курт Зигель, — авторы истории развития техники, несомненно, отметят этот перелом, когда мысли инженера перенеслись из плоскости в пространство. Тем самым инженер приблизился в сфере творчества, которая до сих пор оставалась достоянием архитектора, т. е. к области организации пространства".
А теперь о методе биоархитектуры.

Рис. 17. Железобетонный каркас свода-оболочки (архитектор П. Нерви)
В архитектуре, как и в живой природе, форма должна определяться функцией. Обращаясь к богатой палитре природных форм, бионическая архитектура не стремится абсолютно точно копировать ту или иную живую структуру. За исключением отдельных примеров крайних натуралистических направлений в зарубежной архитектуре, подавляющее большинство природных форм преображается под рукой инженера и зодчего, что вполне закономерно. Ведь назначение живых конструкций и технических структур далеко не одинаково. Главная функция живого организма — существовать. Главная же функция архитектуры — социальная; она не только предусматривает условия для жизнедеятельности человека, но и отражает материальные и духовные устои общества, его психологию. Необходимость изменения живой формы диктуется еще одним чрезвычайно важным обстоятельством. Не говоря уже о том, что человек пока не способен в точности воспроизвести природный строительный материал, он обязан при проектировании технического сооружения по образу и подобию природного образования учитывать порядок величин и масштабы. Технические конструкции сплошь и рядом имеют размер, во много раз превышающий размер живых структур, и поэтому точное воспроизведение в сильно увеличенном масштабе природной формы неизбежно привело бы к потере присущих ей механических качеств. Если бы мы, например, увеличили раковину улитки в 1000 раз, сохраняя ее материал (известняк), то она развалилась бы под собственной тяжестью. Следовательно, при изменении масштаба необходимо менять и материал, и соотношение частей, и сечения элементов; биоархитектура не копирует природную форму, а творчески переосмысливает ее. Примером может служить разработанный архитектором Беллони проект спортивной арены в Павии со сводом из пересекающихся складок (рис. 18). Выбранная форма не произвольна — это модернизированная творческой фантазией, инженерным расчетом природная складчатая конструкция, которая подчиняется законам геометрии и архитектуры.

Рис. 18. Схема свода из встречных пересекающихся складок для спортивной арены в Павии (архитектор Беллони)
Складки как бы взаимно проникают одна в другую, образуя свод, сообщают системе необходимую жесткость, горизонтальный пояс связывает пяты вместе, что препятствует выпрямлению складок. Наружные контрфорсы воспринимают усилия сдвига свода. Таким образом, перед нами весьма эффектная конструкция, созданная на основе новых возможностей, предоставляемых в настоящее время использованием природного принципа "сопротивляемости по форме", а также железобетона.
Приведем еще один пример. Соты — идеальная форма для монолитной конструкции: никто не смог бы предложить пчелам что-либо более удобное. Однако собирать их из отдельных элементов, например шестигранников, не очень выгодно, потому что у каждой ячейки тогда окажутся двойные стенки. И польские конструкторы при проектировании уже известных нам крупных сотовых панелей для жилых домов усовершенствовали "идеальные" соты. Они стали собирать их из одного элемента — треугольника с продленными сторонами (рис. 19). Внешне рисунок сот усложнился, зато исчезли двойные стенки, уменьшилась трудоемкость работ, значительно повысилась прочность.

Рис. 19. Сотовые панели собираются из одного элемента — треугольника с продленными сторонами
В последнее время мы все чаще сталкиваемся с обобщениями природных форм. Синтезируя принципы построения природных структур, архитекторы и инженеры создают совершенно новые, необычные формы. Трудно сказать, на что, например, похож изображенный на рис. 20 купол ресторана в Пуэрто-Рико — на раковину или на опрокинутую чашечку цветка.
В поисках новых конструкторских решений, новых архитектурных форм зодчие, инженеры, математики, механики обратили ныне особое внимание на диатомеи — простейшие водоросли, предки которых в громадном количестве заселяли когда-то древние водоемы.

Рис. 20. Ресторан на берегу моря в Пуэрто-Рико. Его перекрытие не поддается математическому расчету (архитекторы Торо, Ферер, инженеры Вейдлингер, Сальвадори)
Каждая диатомея — всего одна клетка. Эти мелкие растительные организмы (их 5300 видов) живут на дне морей и в пресных водах, иногда на больших глубинах; они устраиваются на камнях и на различных растениях, а некоторые могут даже передвигаться по дну. "Жизненная цель" диатомеи — выжить, выдержать все механические невзгоды, которые выпадают на ее долю. Поэтому она одета в панцирь, в котором проводит всю свою жизнь.
Для изучения строения скорлупы, или панциря, диатомеи ученым пришлось прибегнуть к помощи электронного микроскопа. И когда были получены электронные микрофотографии диатомовых водорослей с увеличением в десятки тысяч раз, перед глазами исследователей открылся новый мир форм, границы которого оказались необозримыми. В нем архитекторы увидели и замысловатые пространственные решетчатые конструкции, и "микроблочные" купола, и фантастически сложные фигуры, и множество других "инженерных систем", гармонически сочетающих красоту и целесообразность, легкость и прочность, надежность и экономичность.
Следует сказать, что диатомеи имеют вид круглых структур с удлиненными или полигональными поверхностями, образуемых двумя половинами, вставленными одна в другую. Устройство их скорлупы отличается от устройства скорлупы яйца и имеет шишковатую структуру, состоящую из параллелепипедов или решеток, придающих панцирю высокую прочность и обеспечивающих отличное использование материала.

Рис. 21. Скорлупа диатомей. Скорлупа ограничивается средой, окруженной тонкой и красивой пленкой; на пленке располагаются ребра, взаимно поддерживаемые поперечными элементами жесткости
Формы поверхности панцирей диатомей неодинаковы: они могут быть цилиндрическими, куполообразными или седлообразными. Здесь наблюдается множество конструкций: панцири с очень малым числом отверстий, панцири с большим числом отверстий, образующих сетчатые структуры с широкими ребрами, и, наконец, панцири, в которых предельно тонкие стенки и ребра образуют пространственные решетчатые системы (рис. 21, 22).
Благодаря такому строению панцири диатомей способны выдерживать большие напряжения сжатия и изгиба. Прочность скорлуп чрезвычайно велика, и непонятно, каким образом такие напряжения могут возникать в панцирях этих маленьких живых организмов.
Не менее пристально исследуют сейчас многие архитекторы, математики, инженеры и радиолярий — микроскопические (обычно менее 1 мм) планктонные морские организмы с ажурным скелетом из кремнезема или сернокислого стронция. Е. Монод-Герцен в своем труде "Морфология" отмечает: "для инженеров представляет большой интерес изучение этих удивительных шедевров природы, их структуры, позволяющей преодолевать гидростатическое давление, а также наблюдение за тем, с какой экономией материала природа сумела защитить жизнь этих организмов".

Рис. 22. Часть скорлупы диатомеи. Такая структура получается в результате очень плотного наслоения мелких пузырей, спаянных друг с другом по площадям контакта. На сводчатой поверхности имеются ребра жесткости
Радиолярий (они обитают в теплых морях) насчитывается около 6000 видов. Ниже мы воспроизводим несколько структур радиолярий возрастающей сложности (рис. 23). Познакомившись даже бегло с геометрической структурой этих маленьких морских организмов, не колеблясь можно сказать: они являют собой такое разнообразие форм, что их с избытком хватит на создание десятков тысяч новых архитектурных шедевров.
Итак, мы познакомились с тем, что уже позаимствовали зодчие у природы, с основными целями, задачами и методом биоархитектуры, а также с некоторыми направлениями ныне ведущихся поисков новых форм живых образований. Теперь остается рассказать о самой важной проблеме, которую пытается решить биоархитектура. Эту проблему кратко можно назвать так: "города и люди". Знакомство с ней нам придется начать с цифр и расчетов.

Рис. 23. Структуры радиолярий (по Геккелю)
В начале нашей эры население земного шара составляло 200 — 300 миллионов человек. К 1000 г. оно практически не увеличилось. В 1650 г. оно достигло 545 миллионов, в 1800 г. — 906, в 1900 г. — 1608, в 1940 г. — 2248, в 1950 г. — 2617, а в 1964 г. оно равнялось 3260 миллионам человек! Иначе говоря, за последние 60 лет, на которые пришлось две неслыханные по масштабу мировые бойни, население земного шара удвоилось. Демографы подсчитали, что на нашей планете сейчас каждую секунду появляется два новых человека. Следовательно, ежегодно население земного шара увеличивается на 62 миллиона человек. Предположим, что средний годовой прирост землян в течение ближайших 32 лет останется на том же уровне; тогда к концу второго тысячелетия численность населения нашей планеты почти удвоится. Однако известно, что параметры воспроизводства населения (соотношение между рождаемостью и смертностью) быстро изменяются. Имеем ли мы право считать, что нынешний средний годовой прирост населения Земли начнет, допустим, с 1969 г. уменьшаться? Разумеется, нет! Наоборот, статистика убедительно говорит о том, что темп воспроизводства населения на земном шаре с каждым годом будет нарастать, причем значительно быстрее, чем до сих пор. Учитывая это, эксперты-демографы ООН пришли к заключению, что к 2000 г. на нашей планете будет жить 6,5-8 миллиардов человек, в 2050 г. — 15, в 2100 г. — 35-40, в 2200 г.- около 400 миллиардов, а в 2300 г. число землян перевалит за 1000 миллиардов!
Такова ситуация. Демографический "взрыв", как его принято называть, поставил перед учеными немало сложных вопросов. Один из них — важнейший — где найдет пристанище такая огромная масса людей? Ведь из 510 000 000 км2 поверхности нашей планеты суша занимает только 149 000 000 км2, а остальная ее часть покрыта морями и океанами. Около 70% суши занимают пустыни, горы, тундра, болота и вечные льды. Таким образом, годной "жилплощади" на Земле не так уж много. В 1930 г. на каждый квадратный километр суши приходилось в среднем 15 человек, сейчас — 24 человека, к концу нашего века их будет 54, а в 2100 г. плотность населения на всей суше (без Арктики и Антарктиды) превысит 300 человек на квадратный километр, т. е. достигнет величины, характерной для таких густонаселенных стран, как Бельгия и Голландия. Иными словами, через 150 лет мы должны быть готовы к тому, что все земляне станут жителями городов. Каких?
Города нашего времени увеличились до гигантских размеров и продолжают стремительно расти. Так, например, за последние 25 лет население многих городов СССР возросло в 2 — 3 раза: Алма-Аты — с 220 до 640 тысяч, Еревана — с 204 до 652 тысяч, Казани — с 398 до 804 тысяч, Минска — с 237 до 717 тысяч, Куйбышева с 390 до 969 тысяч жителей. В восьми городах СССР: Москве, Ленинграде, Киеве, Баку, Харькове, Новосибирске, Горьком, Ташкенте — численность населения превышает миллион человек. В Лондоне (с при городами) сейчас насчитывается 8348 тысяч жителей, в Токио — 10 800 тысяч и в Нью-Йорке (с пригородами) — 14 115 тысяч жителей.
Рассматривая современные города в пределах их административных границ, можно увидеть, что степень концентрации городского населения весьма высока. Так, у нас в 187 больших городах (с населением свыше 100 тысяч человек) сосредоточено около 63 миллионов жителей — больше половины всего городского населения страны. В 29 крупнейших городах (с населением, превышающим 500 тысяч человек) живет около 31 миллиона человек, или четверть всего городского населения страны. В США в 1960 г. было 132 больших города, в которых проживало около 51 миллиона человек, и 21 крупнейший город, где проживало 28,6 миллиона. Рост населения и концентрация промышленности в больших и крупных городах — городах-"миллионерах" — приводят к тому, что в Лондоне на одном квадратном километре проживает сейчас 4,5 тысячи человек, в Праге — 5,5, в Москве — 7,2, в Риме-11, в Нью-Йорке — 13,2, в Токио — 16 и в Париже — 32 тысячи человек!
Большая часть современных городов-гигантов малоэтажна (в Лондоне, к примеру, средняя высота зданий составляет 1 1/2 этажа, в Токио — 1,6, в Москве — в среднем 2 этажа). Города занимают огромные территории, и людям приходится часами добираться до работы. Подсчитано, что 40% токийцев ежедневно тратят на дорогу (на работу и обратно) 3 часа, а 10% — 4 часа. Половина населения японской столицы тратит на дорогу половину энергии своего трудового дня. А ведь житель города ездит не только на работу и с работы; он бывает и в магазинах, в театрах, музеях, на выставках, посещает друзей (живущих порой на другом конце города), ездит за город отдыхать. Кто-то подсчитал, что каждый горожанин совершает сейчас в 25 раз больше поездок по городу, чем его дед или прадед 100 лет назад. На одного горожанина в среднем приходится до 600 — 700 поездок в год. На это уходит уйма времени. Достаточно сказать, что двухкилометровая поездка на автомобиле по центру Цюриха длится 10 — 15 мин (за это же время реактивный лайнер пролетает 300 км — расстояние от Цюриха до Женевы).
Выдающийся архитектор Ле-Корбюзье еще в 20-е и 30-е годы предлагал направить все движение автомобилей по высоко поднятым над землей эстакадам, а поверхность земли с ее зеленью и водоемами отвести только для людей. Эти интересные предложения, к сожалению, остались нереализованными. И сейчас нескончаемый поток машин буквально захлестывает улицы городов-гигантов, строившихся в то время, когда еще нельзя было предугадать нынешний объем уличного движения. Все большие города мира страдают сейчас от перенапряжения своих транспортных артерий. Но особенно мучительно эту болезнь переживают такие города, как Токио, Лондон, Париж и Нью-Йорк. Если сопоставить площадь улиц со всей территорией города, то мы увидим, что в Нью-Йорке она составит 35%, в Париже — 26%, в Лондоне — 23%, в Токио — всего-навсего 10,3%. В часы "пик" над этими городами кружат полицейские вертолеты со специальными радиостанциями, которые информируют водителей о наиболее безнадежных пробках и подсказывают им возможные пути объезда. Впрочем, эта вторая задача становится все менее выполнимой даже при отличной технической оснащенности полиции городов-гигантов. Уличное движение все чаще превращается в "уличное стояние". Так, например, автомобили, рассчитанные на скорость 120 — 160 км/час, сейчас движутся по центральным улицам Парижа, Лондона, Токио и Нью-Йорка со скоростью 7 км/час, т. е. медленнее кареты и дореволюционной конки. Нью-йоркцы в часы "пик" нередко говорят друг другу: "Если времени нет, пойдем пешком, а если спешить некуда, возьмем такси". И далеко не всегда это говорится в шутку. Постоянные пробки на улицах городов-гигантов сводят почти на нет выигрыш во времени, который обеспечивает автомобиль в нормальных условиях.
И хотя автомашина ныне с трудом пробирается по улицам большого города, на которых еще часами приходится искать стоянку, хотя содержание машин обходится страшно дорого (дороже, чем пользование такси в течение года), а автомобильная езда ведет к катастрофам и уносит в могилу больше человеческих жизней, чем рак, туберкулез или сердечно-сосудистые заболевания, многие все же считают для себя жизненной необходимостью иметь автомобиль. Поэтому число автомашин на улицах городов из года в год быстро растет. Так, в столице Японии в 1950 г. было 65 тысяч автомашин, а за последующие 17 лет их число возросло в 17 раз! Токио стало средоточием 1100 тысяч автомобилей. Каждый год в городе прибавляется 100 тысяч машин. По улицам Лондона сейчас разъезжает 1 300 000 автомобилей. Англичане подсчитали, что в 1980 г. у них будет вдвое больше автомашин, чем сегодня. Советские градостроители в своих расчетах исходят ныне из возможности 10 — 15-кратного увеличения парка легковых автомобилей. Что же ожидает в недалеком будущем жителей больших старых городов при таком феноменальном росте числа автомобилей? На этот вопрос французский журналист Пьер Рондье в недавно опубликованной статье "Общество четырехколесных" ответил так: "К 1980 г. у нас (во Франции. — И. Л.) будет около 20 миллионов машин, и даже при небольшом воображении можно представить себе, как по улицам городов ползут автомобили со скоростью 3 км/час, а водители их мирно беседуют с шагающими рядом пешеходами..."
Но все сказанное выше о больших современных городах — это еще не самое худшее. Известный английский писатель-фантаст, популяризатор науки Артур Кларк в своей новой книге "Черты будущего" пишет: "В 70-х годах ряд крупнейших городов Англии задохнется..." Аналогичным образом высказываются многие ученые относительно будущего Токио, Нью-Йорка и других старых городов-гигантов. И для таких мрачных предсказаний у них есть немало оснований. Земля окружена необъятным океаном чистого воздуха, на каждого человека приходится по 2,5 миллиона тонн. Между тем жители многих современных крупных городов чувствуют недомогание из-за отсутствия необходимых каждому человеку 15 — 20 кг чистого воздуха в день. 2,5 миллиона тонн в другом месте не приносят пользы, если воздух, находящийся у него под носом, загрязнен и опасен, если человек не может получить свои 15 — 20 кг в день там, где он живет и работает. Возьмем, к примеру, такой город, как Токио. По последним сообщениям печати, вереницы автомашин с включенными двигателями создают на перекрестках японской столицы такую атмосферу, что во многих полицейских будках пришлось установить кислородные приборы: регулировщики время от времени забегают туда отдышаться, чтобы не потерять сознание. Даже деревья на центральных улицах не выдерживают и чахнут. Каждый год то тут, то там приходится подсаживать новые. Помимо 1100 тысяч автомобилей в этом городе-гиганте чадят и дымят 100 000 фабричных труб. На каждый квадратный километр городской территории ежемесячно выпадает 23 т гари! Такая же картина наблюдается во многих крупных промышленных городах США, с той только разницей, что основная масса атмосферных ядов здесь выходит из бездымных труб и отлично отрегулированных двигателей (4/5 всех загрязнений невидимо, и большая часть их лишена запаха). "Сейчас загрязненный воздух, — читаем мы в журнале "Сатердей ивнинг пост", — угрожает здоровью большинства американцев, покрывает ржавчиной их имущество, омрачает или вовсе скрывает от глаз пейзаж, нарушает спокойствие. Загрязненный воздух — это уже не исключение для американских городов. Это правило". Специалисты подсчитали, что отравленный воздух городов США наносит только зданиям (краске, металлу и кирпичной кладке) ущерб, который они оценивают в 11 миллиардов долларов в год. Ущерб же, наносимый загрязненным воздухом здоровью жителей больших городов, нельзя оценить ничем. Достаточно сказать, что каждые пять лет в США удваивается число горожан, больных раком легких, эмфиземой, бронхитом и астмой.
Итак, совершенно очевидно, что давно сложившиеся большие города вступают в резкое противоречие со всем строем современной жизни, потребностями человека и общества. Поскольку людям становится все труднее жить в современных городах-гигантах, многие градостроители требуют остановить их рост и строить города с населением в 50 — 300 тысяч жителей.
Допустим, сегодня это правильно, хотя мы отлично знаем, что все на Земле уже занято; бескрайних просторов в прежнем понимании у нас уже нет. А через 150 лет, когда число землян достигнет 40 миллиардов, придется построить более 100 000 городов-карликов по 300 тысяч жителей в каждом. Они расползутся по поверхности нашей планеты, изведут леса и луга, закуют
Землю в асфальтовую и бетонную броню. На родной планете почти не останется места для полей, рощ, дубрав и парков, а они абсолютно необходимы для поддержания кислородного баланса в атмосфере. Нет, города-карлики — это не решение проблемы.
Итак, вот условия нелегкой задачи: во-первых, рационально расселить миллиарды людей на Земле, чтобы жизнь их была благоустроенной и счастливой; во-вторых, сохранить как можно больше естественных богатств планеты: ее леса, зеленые насаждения, каждый гектар плодородной земли, каждый ручей, всех животных и птиц.
Решением именно этой задачи и занимается ныне биоархитектура. Надо строить "голубые города", говорят зодчие. Возводить их следует только на плохих землях, где нельзя ни пахать, ни сеять, ни добывать что-либо.
"Голубыми городами" биоархитектура называет грандиозные городские ансамбли, образуемые устремленными к небу домами высотой в сотни и тысячи метров, вмещающие население целых поселков и даже больших современных городов. Показателем населенности таких новых городов будет не число жителей, проживающих на квадратном километре Земли, а "объемная плотность". Разумеется, "голубые города" не будут похожими на современные западные города с их ущельями-улицами, где солнце — редкий гость. Это будут, выражаясь словами Ле-Корбюзье, "лучезарные города".
Что же позаимствовали инженеры и зодчие у природы для вертикального решения грядущих городов? Как известно, свободно стоящая колонна становится устойчивой только при защемлении ее у основания; массивная подземная часть обеспечивает устойчивость колонны. Боковые усилия, например давление ветра, создают напряжения изгиба, которые у основания достигают наибольшей величины. Самым простым методом обеспечения устойчивости колонны является утолщение ее нижнего конца. В качестве примера укажем на мачты, башни, пилоны и фабричные трубы. Между тем у растущего дерева, у пшеничного колоса природа полностью разрешила эту "проблему". Динамическая нагрузка (от ветра) максимальна на верхнем конце этих природных конструкций. И если отношение высоты к наибольшему диаметру наших строительных конструкций до последнего времени не превышало 20 — 30, то природа дает нам примеры конструкций, у которых оно равно 50 — 100 (пальмы) и даже 200 — 300 (пшеница). Тщательное изучение этих и других аналогичных природных высотных конструкций привело ряд инженеров и архитекторов к идее сооружения высотных зданий нового типа.
Год или два назад немецкий архитектор Доллингер предложил проект высотного жилого дома по типу... елки. Макет этого здания, которое должно быть построено в Монреале, показан на рис. 24. Своеобразная форма дома объясняется тем, что архитектор стремился сделать все квартиры доступными для солнечных лучей. На железобетонном трубчатом "стволе", в котором проложены лифты, кабели, водопроводные и газовые магистрали, укреплены, словно ветви, квартиры. Каждая такая квартира крепится на отдельном кронштейне. Со всех сторон ее заливает солнечный свет. Полностью решена проблема звукоизоляции: над головой никогда не раздастся топот гостей, отплясывающих в квартире вверху живущих соседей.
Дом будет построен преимущественно из металла. Стены будут не толще самолетной обшивки, но они хорошо защитят жильцов от холода и жары. Квартиры-"ветки" стандартны, а это как нельзя лучше для серийного производства. Высота дома-"елки" 100 м, поверхность же опоры, на которой стоит здание, занимает очень мало места, всего 25 м2. А это чрезвычайно важно для больших городов, где машинам уже сейчас негде развернуться на улицах.
Оригинальный проект вертикального города высотой 3200 м недавно разработал английский инженер Вильям Фришмен (рис. 25). Каждый дом-город по этому проекту должен иметь 850 этажей! Автор предлагает выполнить несущий костяк сооружений в виде древесных стволов с этажами-ветвями. Фундамент здания уйдет на 150 м в землю. Для увеличения поверхности опоры и предупреждения перегрузки он должен быть построен по образцу корневой системы дерева. Всюду предусмотрено кондиционирование воздуха, в том числе в квартирах на самых верхних этажах, где оно необходимо и для поддержания нормального давления. Архитектурный гигант рассчитан на размещение 500 тысяч человек. Постройкой таких домов-городов Фришмен предлагает разрешить в Англии жилищную проблему..

Рис. 24. Макет дома-'елки' высотой 100 м (архитектор Доллингер)
Расчеты показывают, что осуществление проектов, подобных фришменовскому, вполне по плечу человечеству уже на нынешней ступени научно-технического прогресса. Ведь уже сегодня промышленность выпускает материалы прочностью в 200 кг/мм2. А завтрашний день обещает нам материалы со значительно большей прочностью. Материалов на единицу объема дома-города потребуется, по-видимому, значительно меньше, чем при сооружении современных городов. При меньшей затрате количества материалов на единицу объема дома-города, естественно, снизится и трудоемкость этой единицы. Наконец, сооружение больших домов-городов позволит добиться огромной экономии средств на коммуникациях и транспорте. В итоге, возводя дома-гиганты, человечество пойдет по пути резкого снижения материальных, трудовых и денежных затрат на строительство грядущих "голубых городов".

Рис. 25. Общий вид дома-города, разработанного английским инженером В. Фришменом (слева), и фундамент гигантской жилой башни, спроектированный по образцу корневой системы дерева (справа)
Говоря о достоинствах разрабатываемых проектов вертикальных городов, следует особо подчеркнуть стремление их авторов сделать здания внутри как можно интереснее и разнообразнее, создать в них удобную и приятную для жизни атмосферу. В биоархитектуре появилось и заняло доминирующее положение новое, не существовавшее раньше понятие "обитабельность", под которым понимается степень пригодности здания для жизни. И эта новая забота о функциональности и удобстве внутренних пространств — желание планировать и оборудовать помещения так, чтобы они как можно лучше отвечали своему назначению, — начинает сказываться и на внешних контурах зданий.
Итак, будущее за многомиллионными городами. Строя дома-города, мы можем успешно решить проблему расселения десятков миллиардов людей, которые завтра будут жить на нашей родной планете. У нас есть все возможности сохранить для внуков и правнуков ныне имеющиеся на Земле леса, луга, плодородные поля, реки и озера, в нашей власти приготовить грядущим поколениям землян в "голубых городах" все блага, какие может дать цивилизация завтрашнего дня.
Разумеется, началу строительства грандиозных вертикальных городских ансамблей будет предшествовать не один опытный образец дома-города. Ведь многое из того, что архитекторы еще недавно определяли умозрительно и интуитивно, сегодня требует точного и научного решения, большой экспериментальной работы. Однако "голубые города" — это не туманное будущее. Уже сегодня мы можем мысленно совершить с вами, читатель, путешествие в один из таких городов. Давайте сядем в машину и проедем по его магистралям. Прямые и широкие, они ровной лентой бегут к горизонту среди зеленых аллей, полыхающих многоцветием клумб.
А вдоль улиц купаются в ярких солнечных лучах белоснежные стройные дома-деревья. Отделанные пластмассой и металлом, эти ажурные дома-красавцы поражают какой-то особой, удивительной легкостью, строгими линиями. В городе нет домов случайной ширины, длины или высоты, здесь все подчинено проекту, единой целью которого является создание наилучших условий для жизни людей. В каждый дом встроены торговые учреждения, кафе-рестораны, залы для собраний, кинотеатры, почта, школа, спортивные залы и бассейны для плавания. Каждая комната построена с таким расчетом, что находящийся в ней телевизор или радиоприемник может работать с максимально возможной громкостью и вместе с тем не будет никому мешать. Лифты и мусоросборники в домах работают беззвучно. Вентиляция и охлаждение квартир централизованы. Автоматическое управление климатом позволяет жильцам жить при температуре комфорта. В центре города — ни одного автомобиля. Тут лишь школы, высшие учебные заведения, клубы, театры, музеи, магазины, скверы. Здесь разрешено только пешеходное движение. Промышленные предприятия, научно-исследовательские институты, административные учреждения, вокзалы и аэровокзалы находятся за чертой города. А далее вокруг города — зеленое кольцо шириной в 5 — 10 км — зона отдыха. Под городом на разных уровнях имеется широко разветвленная транспортная сеть.
Так выглядит "голубой город", город-сад, в котором будут жить наши внуки и правнуки. Где же находится этот сказочный, лучезарный город? Такого города пока нет. Он существует лишь в воображении архитекторов, инженеров-строителей, конструкторов, его можно увидеть на чертежах, рисунках и в макетах. Но, перефразируя Маяковского, можно сказать: "Мы знаем, город будет!"
Более 800 000 книг и аудиокниг! 📚
Получи 2 месяца Литрес Подписки в подарок и наслаждайся неограниченным чтением
ПОЛУЧИТЬ ПОДАРОК